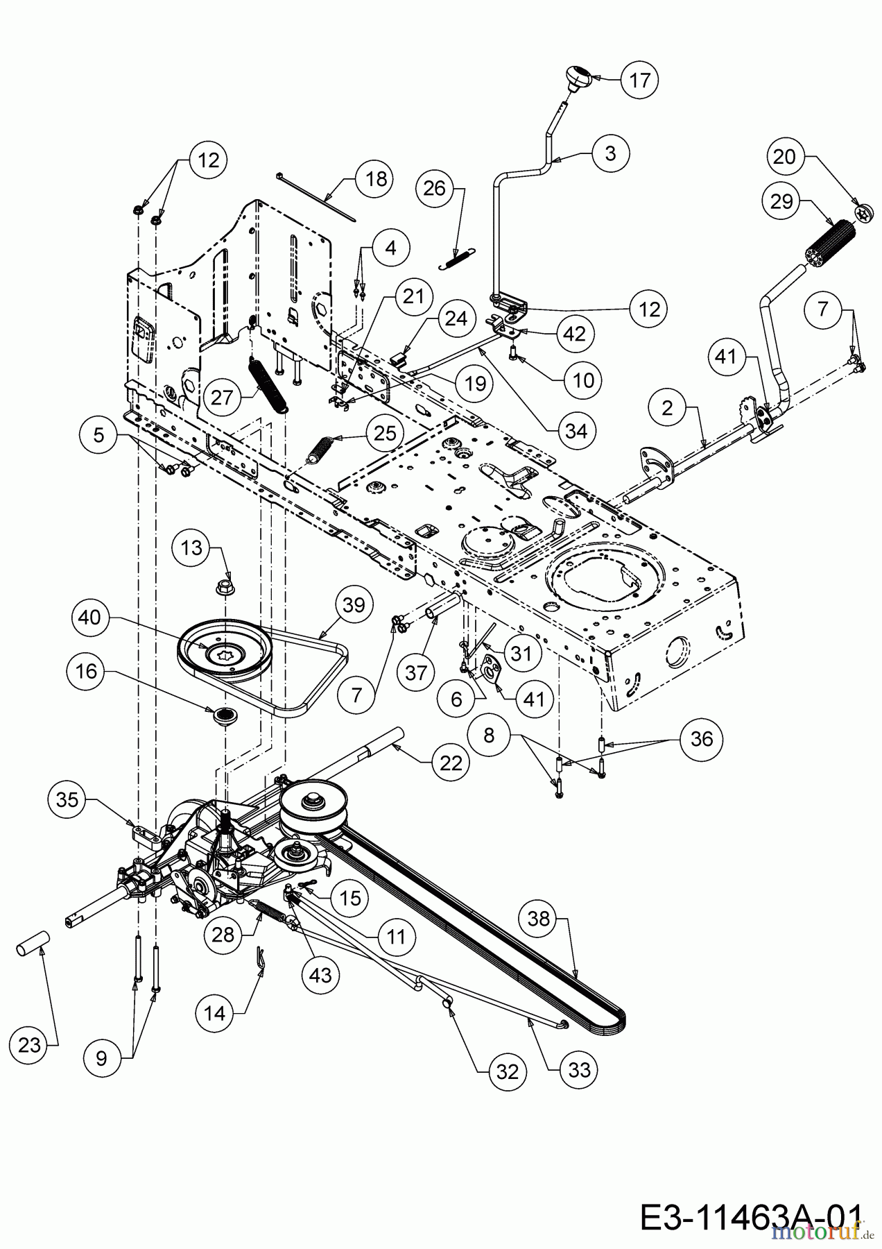
MTD 96 13A7765F600 (2020) Fahrantrieb Ersatzteile
KEILRIEMEN:V TYP:5L x 34.91"LG
Artikel Nummer:
754-04285
BildNr:
39
Bemerkung:
V TYP 5LX34.91"
Modell BJ:
Smart RF 125 / 2019 Smart RF 125 / 2019 Smart RF 125 / 2020 MTD 96 / 2019 MTD 96 / 2019 MTD 96 / 2020 MTD 96 / 2020 96-125 / 2019 96-125 / 2019 Mastercut 96 / 2019 Mastercut 96 / 2020 MTD 96 / 2019 MTD 96 / 2019 MTD 96 / 2020 BG 96 SBK / 2019 BG 96 SBK
38.48 €
für EU incl. MwSt., zzgl. Versand
Der Artikel wurde in den Einkaufswagen gelegt!
sofort Lieferbar
Hier finden Sie die Ersatzteilzeichnung für MTD Rasentraktoren MTD 96 13A7765F600 (2020) Fahrantrieb. Wählen Sie das benötigte Ersatzteil aus der Ersatzteilliste Ihres MTD Gerätes aus und bestellen Sie einfach online. Viele MTD Ersatzteile halten wir ständig in unserem Lager für Sie bereit.
Häufig benötigte MTD 96 13A7765F600 (2020) Fahrantrieb Ersatzteile


Qualitätsmanagement
Informieren Sie uns, wenn Sie einen Fehler gefunden haben.
























