Turbo Silent TS PINTO 13B6064-667 (2004) Fahrantrieb Ersatzteile
KEILRIEMEN:V TYPE:5L x36.25"LG
Artikel Nummer:
754-0453
BildNr:
38
DINNORM:
POLY 954-0453
Modell BJ:
404 / 2004 404 / 2005 TS PINTO / 2004 TS PINTO / 2005 Pinto / 2004 Pinto / 2005 Pinto E-Start / 2004 Pinto E-Start / 2005
52.00 €
für EU incl. MwSt., zzgl. Versand
Der Artikel wurde in den Einkaufswagen gelegt!
sofort Lieferbar
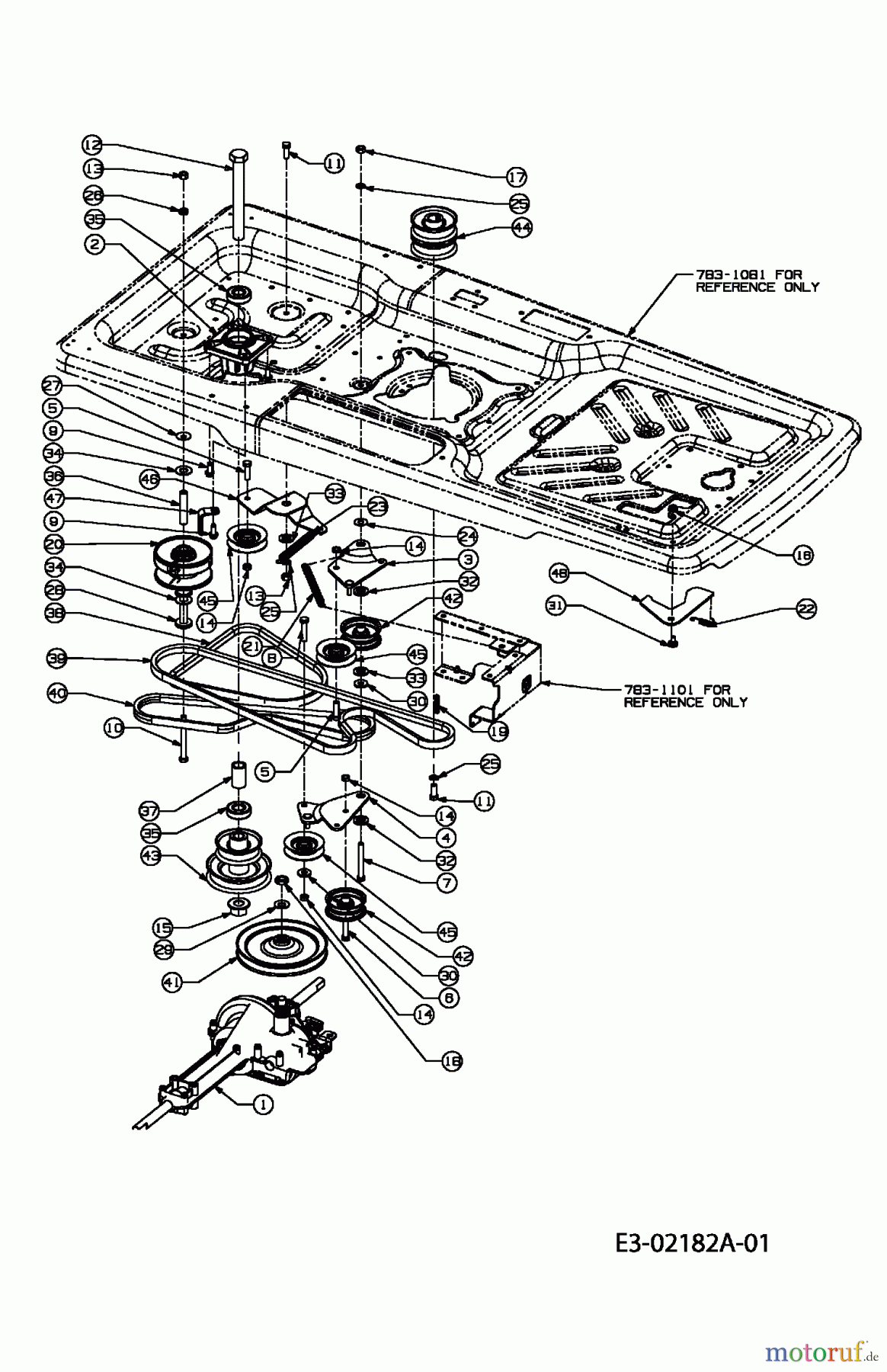
Hier finden Sie die Ersatzteilzeichnung für Turbo Silent Rasentraktoren TS PINTO 13B6064-667 (2004) Fahrantrieb. Wählen Sie das benötigte Ersatzteil aus der Ersatzteilliste Ihres Turbo Silent Gerätes aus und bestellen Sie einfach online. Viele Turbo Silent Ersatzteile halten wir ständig in unserem Lager für Sie bereit.
Häufig benötigte Turbo Silent TS PINTO 13B6064-667 (2004) Fahrantrieb Ersatzteile

Artikelnummer: 754-0493
Suche nach: 754-0493
Hersteller: MTD
Turbo Silent Ersatzteil Fahrantrieb
Suche nach: 754-0493
Hersteller: MTD
Turbo Silent Ersatzteil Fahrantrieb
34.84 €
für EU incl. MwSt., zzgl. Versand

Artikelnummer: 732-0814
Suche nach: 732-0814
Hersteller: MTD
Turbo Silent Ersatzteil Fahrantrieb
Suche nach: 732-0814
Hersteller: MTD
Turbo Silent Ersatzteil Fahrantrieb
12.69 €
für EU incl. MwSt., zzgl. Versand

Artikelnummer: 754-0453
Suche nach: 754-0453
Hersteller: MTD
Turbo Silent Ersatzteil Fahrantrieb
Suche nach: 754-0453
Hersteller: MTD
Turbo Silent Ersatzteil Fahrantrieb
52.00 €
für EU incl. MwSt., zzgl. Versand


Qualitätsmanagement
Informieren Sie uns, wenn Sie einen Fehler gefunden haben.





















