Merox MX 45 BRB 12E-T58R667 (2007) Schnitthöhenverstellung Ersatzteile
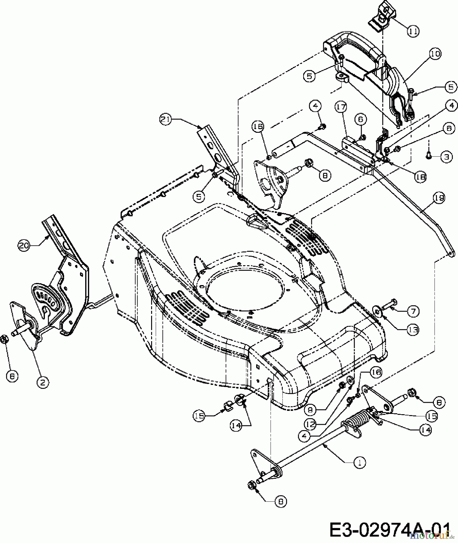
HOLMBRAKETTE:RECHTS:T-DECK
Artikel Nummer:
787-01161637
BildNr:
20
DINNORM:
HECKAUSWURF/RADANTRIEB PAINT
Modell BJ:
MX 45 BRBS / 2009 BM 45 ROHV / 2007 5045 B / 2007 5045 B / 2008 MX 45 BRB / 2007 MX 45 BRBS / 2007 MX 45 BRBS / 2008 YM 6018 SPK / 2007 YM 5518 SP / 2007
23.92 €
für EU incl. MwSt., zzgl. Versand
Der Artikel wurde in den Einkaufswagen gelegt!
Wird für Sie bestellt: Lieferzeit ca. 5 bis 14 Werktage.
Hier finden Sie die Ersatzteilzeichnung für Merox Motormäher mit Antrieb MX 45 BRB 12E-T58R667 (2007) Schnitthöhenverstellung. Wählen Sie das benötigte Ersatzteil aus der Ersatzteilliste Ihres Merox Gerätes aus und bestellen Sie einfach online. Viele Merox Ersatzteile halten wir ständig in unserem Lager für Sie bereit.
Häufig benötigte Merox MX 45 BRB 12E-T58R667 (2007) Schnitthöhenverstellung Ersatzteile

Artikelnummer: 787-01161637
Suche nach: 787-01161637
Hersteller: MTD
Merox Ersatzteil Schnitthöhenverstellung
Suche nach: 787-01161637
Hersteller: MTD
Merox Ersatzteil Schnitthöhenverstellung
23.92 €
für EU incl. MwSt., zzgl. Versand











