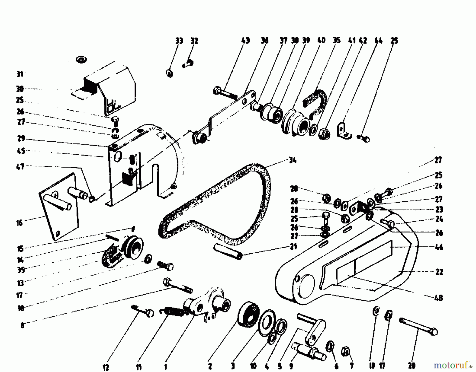
Golf 162 MS 4 07514.04 (1990) Fahrantrieb Ersatzteile
SCHEIBE A 6,4 DIN 125-St
Artikel Nummer:
24.6481.14
BildNr:
27
DINNORM:
FINISH:ZN5GL CB 736-0668
Modell BJ:
162 MS 4 / 1990
1.46 €
für EU incl. MwSt., zzgl. Versand
Der Artikel wurde in den Einkaufswagen gelegt!
sofort Lieferbar
Hier finden Sie die Ersatzteilzeichnung für Golf Motorhacken 162 MS 4 07514.04 (1990) Fahrantrieb. Wählen Sie das benötigte Ersatzteil aus der Ersatzteilliste Ihres Golf Gerätes aus und bestellen Sie einfach online. Viele Golf Ersatzteile halten wir ständig in unserem Lager für Sie bereit.
Häufig benötigte Golf 162 MS 4 07514.04 (1990) Fahrantrieb Ersatzteile

Artikelnummer: 000.75.875
Suche nach: 000.75.875
Hersteller: MTD
Golf Ersatzteil Fahrantrieb
Suche nach: 000.75.875
Hersteller: MTD
Golf Ersatzteil Fahrantrieb
22.36 €
für EU incl. MwSt., zzgl. Versand


Qualitätsmanagement
Informieren Sie uns, wenn Sie einen Fehler gefunden haben.



