Dolmar Benzin PM-5360 S3 PM-5360 S3 (2007) 14 PM-5360 S3 Ersatzteile
KUGELLAGER
Achtung: Dieser Artikel ist 4x im Gerät verbaut, der Preis gilt pro Stück!
Artikel Nummer:
664122200
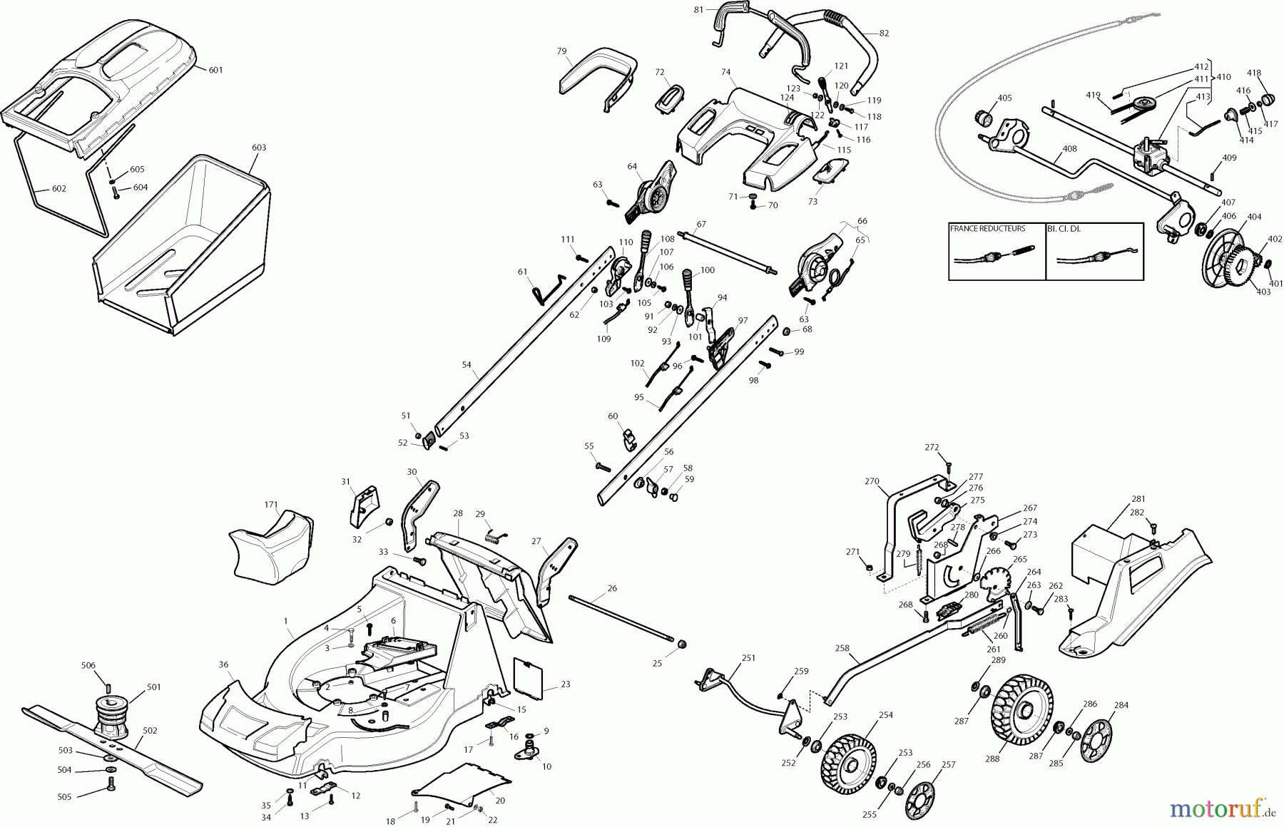
BildNr:
287
5.10 €
für EU incl. MwSt., zzgl. Versand
Der Artikel wurde in den Einkaufswagen gelegt!
sofort Lieferbar
Hier finden Sie die Ersatzteilzeichnung für Dolmar Rasenmäher Benzin PM-5360 S3 PM-5360 S3 (2007) 14 PM-5360 S3. Wählen Sie das benötigte Ersatzteil aus der Ersatzteilliste Ihres Dolmar Gerätes aus und bestellen Sie einfach online. Viele Dolmar Ersatzteile halten wir ständig in unserem Lager für Sie bereit.
Häufig benötigte Dolmar Benzin PM-5360 S3 PM-5360 S3 (2007) 14 PM-5360 S3 Ersatzteile

Artikelnummer: DR664122200
Suche nach: 664122200
Hersteller: Dolmar
Dolmar Ersatzteil 14 PM-5360 S3
Suche nach: 664122200
Hersteller: Dolmar
Dolmar Ersatzteil 14 PM-5360 S3
5.10 €
für EU incl. MwSt., zzgl. Versand


Qualitätsmanagement
Informieren Sie uns, wenn Sie einen Fehler gefunden haben.











