Yard-Man AH 8220 14BU804H643 (2004) Fahrantrieb bis 19.09.2003 Ersatzteile
ZUGFEDER: .50 DIA x 6.37 LG
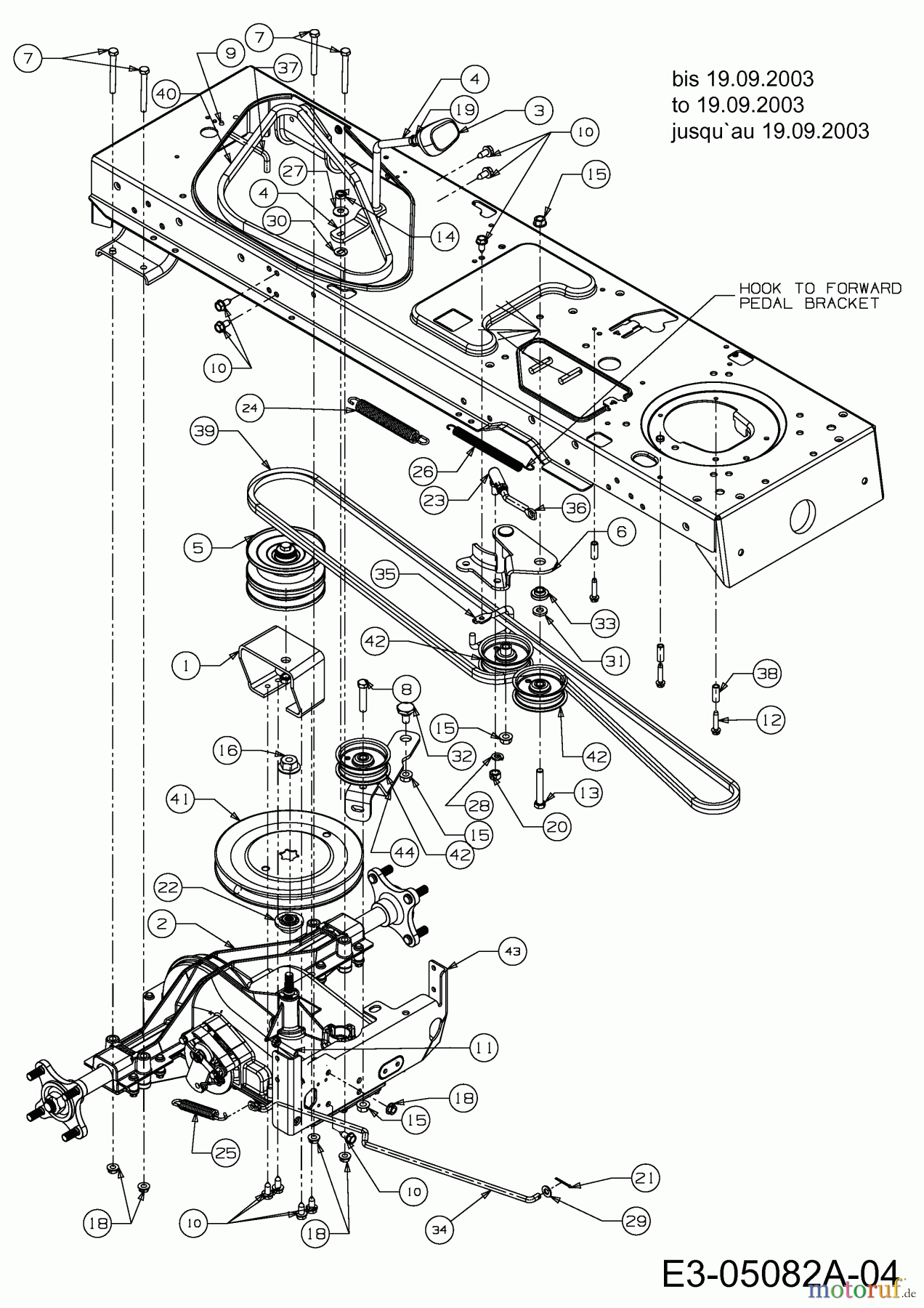
Artikel Nummer:
732-0963
BildNr:
26
Modell BJ:
AH 8220 / 2004
Bemerkung:
0.50X6.37
DINNORM:
SPEC 701-01006 OR 701-01000
11.24 €
für EU incl. MwSt., zzgl. Versand
Der Artikel wurde in den Einkaufswagen gelegt!
sofort Lieferbar
Hier finden Sie die Ersatzteilzeichnung für Yard-Man Gartentraktoren AH 8220 14BU804H643 (2004) Fahrantrieb bis 19.09.2003. Wählen Sie das benötigte Ersatzteil aus der Ersatzteilliste Ihres Yard-Man Gerätes aus und bestellen Sie einfach online. Viele Yard-Man Ersatzteile halten wir ständig in unserem Lager für Sie bereit.
Häufig benötigte Yard-Man AH 8220 14BU804H643 (2004) Fahrantrieb bis 19.09.2003 Ersatzteile

Artikelnummer: 732-0963
Suche nach: 732-0963
Hersteller: MTD
Yard-Man Ersatzteil Fahrantrieb bis 19.09.2003
Suche nach: 732-0963
Hersteller: MTD
Yard-Man Ersatzteil Fahrantrieb bis 19.09.2003
11.24 €
für EU incl. MwSt., zzgl. Versand






















