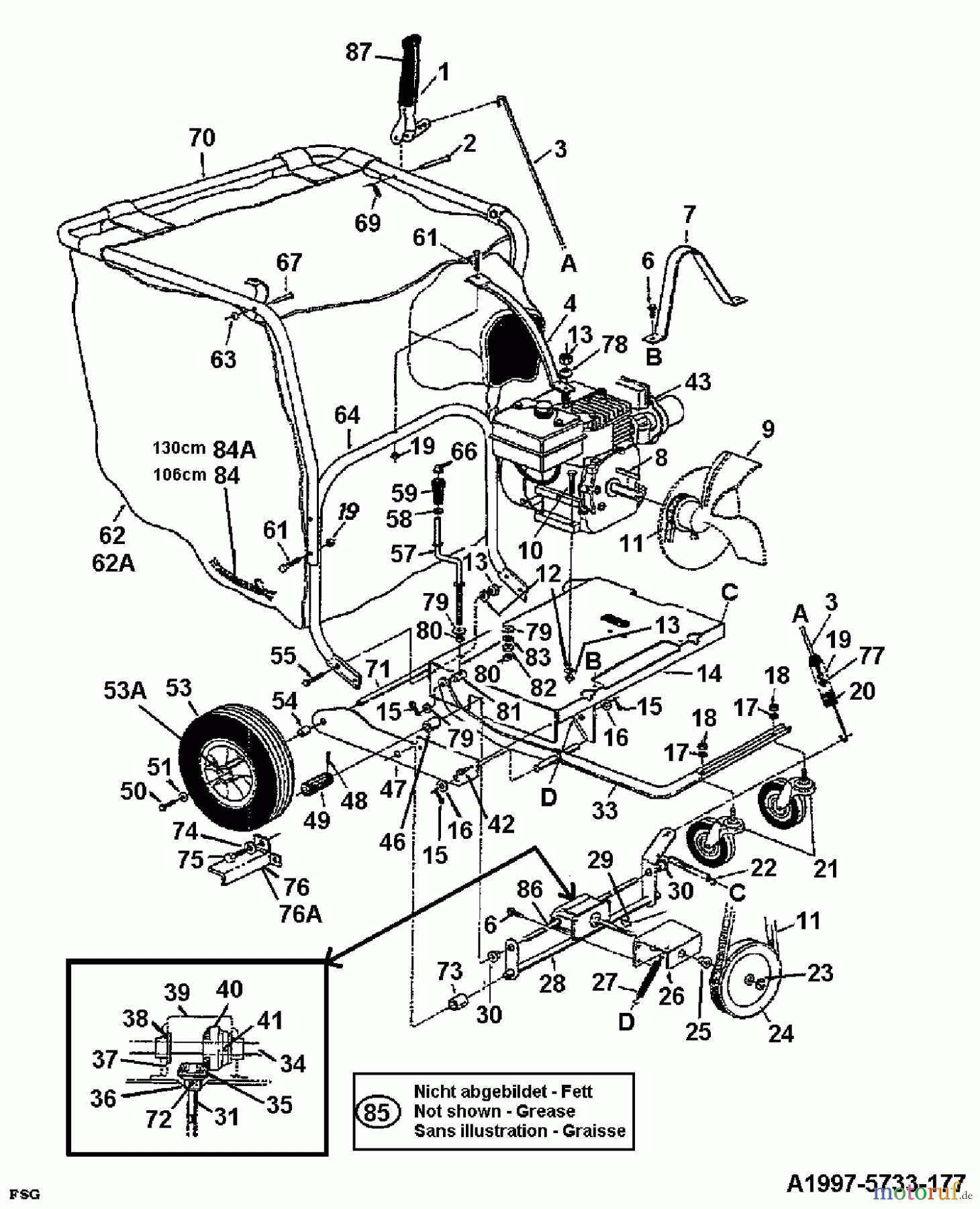
MTD Vacu-Jet-Star 241-6851 (1991) Fangsack, Holm, Räder Ersatzteile
DIST.ROHR I.82XA1.00X.305
Artikel Nummer:
750-0142
BildNr:
73
Modell BJ:
685 / 1990 685 / 1991 Vacu-Jet-Star / 1996 Vacu-Jet-Star / 1991 Vacu-Jet-Star / 1997 Vacu-Jet-Star / 1991 Vacu-Jet-Star / 1997 Vacu-Jet-Star / 1995 685 / 1997 685 / 1997 685 / 1992 685 / 1993 685 / 1994 685 / 1995 685 / 1996 685 / 1988 685 / 1989 Vacu-J
DINNORM:
750-0142/950-0142
13.62 €
für EU incl. MwSt., zzgl. Versand
Der Artikel wurde in den Einkaufswagen gelegt!
sofort Lieferbar
Hier finden Sie die Ersatzteilzeichnung für MTD Laubläser, Laubsauger Vacu-Jet-Star 241-6851 (1991) Fangsack, Holm, Räder. Wählen Sie das benötigte Ersatzteil aus der Ersatzteilliste Ihres MTD Gerätes aus und bestellen Sie einfach online. Viele MTD Ersatzteile halten wir ständig in unserem Lager für Sie bereit.
Häufig benötigte MTD Vacu-Jet-Star 241-6851 (1991) Fangsack, Holm, Räder Ersatzteile

Artikelnummer: 750-0142
Suche nach: 750-0142
Hersteller: MTD
MTD Ersatzteil Fangsack, Holm, Räder
Suche nach: 750-0142
Hersteller: MTD
MTD Ersatzteil Fangsack, Holm, Räder
13.62 €
für EU incl. MwSt., zzgl. Versand


Qualitätsmanagement
Informieren Sie uns, wenn Sie einen Fehler gefunden haben.
















