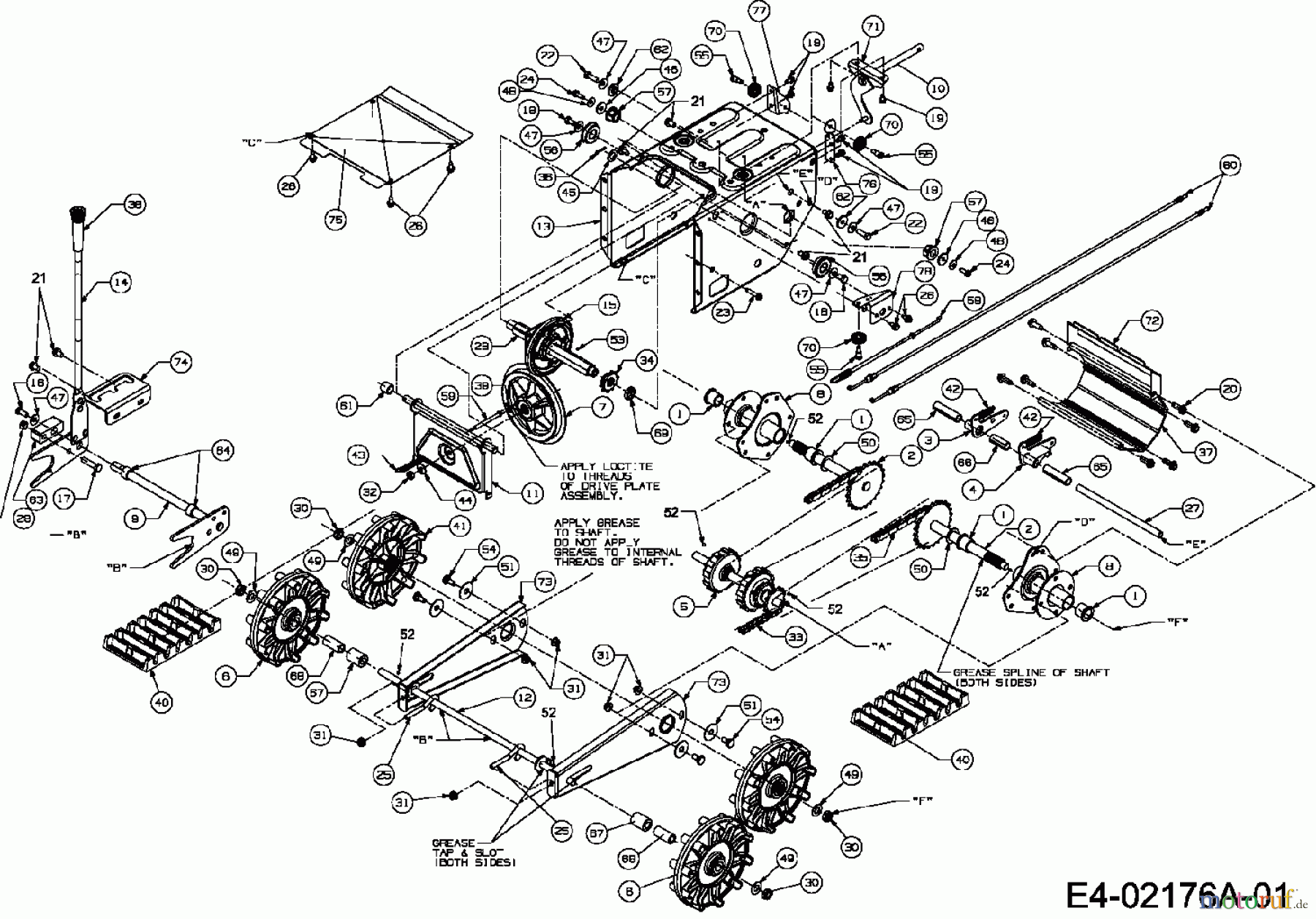
MTD E 730 F 31AE7H8G799R (2007) Raupenantrieb Ersatzteile
ANTRIEBSRAD
Achtung: Dieser Artikel ist 2x im Gerät verbaut, der Preis gilt pro Stück!
Artikel Nummer:
731-1538A
BildNr:
41
Modell BJ:
E 7 L 8 N / 2007 E 730 F / 2007 E 740 F / 2007
DINNORM:
7.6X2.04
Bemerkung:
7.60X2.04
63.01 €
für EU incl. MwSt., zzgl. Versand
Der Artikel wurde in den Einkaufswagen gelegt!
Wird für Sie bestellt: Lieferzeit ca. 5 bis 14 Werktage.
Hier finden Sie die Ersatzteilzeichnung für MTD Schneefräsen E 730 F 31AE7H8G799R (2007) Raupenantrieb. Wählen Sie das benötigte Ersatzteil aus der Ersatzteilliste Ihres MTD Gerätes aus und bestellen Sie einfach online. Viele MTD Ersatzteile halten wir ständig in unserem Lager für Sie bereit.
Häufig benötigte MTD E 730 F 31AE7H8G799R (2007) Raupenantrieb Ersatzteile

Artikelnummer: 731-1538A
Suche nach: 731-1538A
Hersteller: MTD
MTD Ersatzteil Raupenantrieb
Suche nach: 731-1538A
Hersteller: MTD
MTD Ersatzteil Raupenantrieb
63.01 €
für EU incl. MwSt., zzgl. Versand


Qualitätsmanagement
Informieren Sie uns, wenn Sie einen Fehler gefunden haben.






























