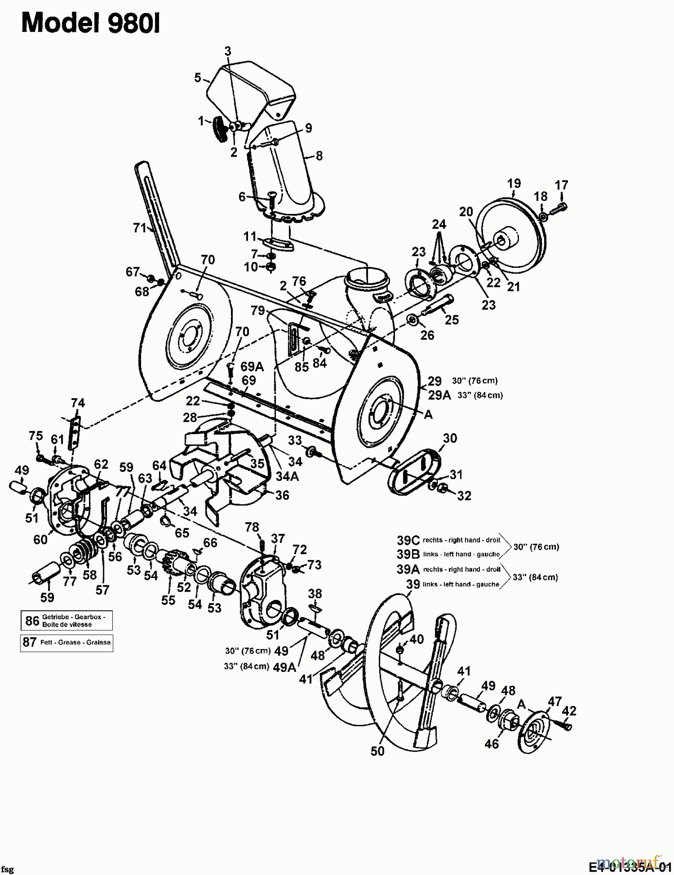
MTD 12-33 317E980I000 (1997) Fräsgehäuse Ersatzteile
6KT-SCHR:1/4-28:.75:GR5:STD
Artikel Nummer:
710-0412
BildNr:
84
Modell BJ:
12-33 / 1997 980 I / 1995 980 I / 1996 980 I / 1997 E 980 I / 1995 E 980 I / 1996 E 980 I / 1997
DINNORM:
FINISH:701-01000
3.23 €
für EU incl. MwSt., zzgl. Versand
Der Artikel wurde in den Einkaufswagen gelegt!
Wird für Sie bestellt: Lieferzeit ca. 5 bis 14 Werktage.
Hier finden Sie die Ersatzteilzeichnung für MTD Schneefräsen 12-33 317E980I000 (1997) Fräsgehäuse. Wählen Sie das benötigte Ersatzteil aus der Ersatzteilliste Ihres MTD Gerätes aus und bestellen Sie einfach online. Viele MTD Ersatzteile halten wir ständig in unserem Lager für Sie bereit.


Qualitätsmanagement
Informieren Sie uns, wenn Sie einen Fehler gefunden haben.
















