WOLF-Garten Expert Scooter Pro 13C226HD650 (2018) Fahrantrieb Ersatzteile
KEILRIEMEN:V TYP:5L:35.25:POLY
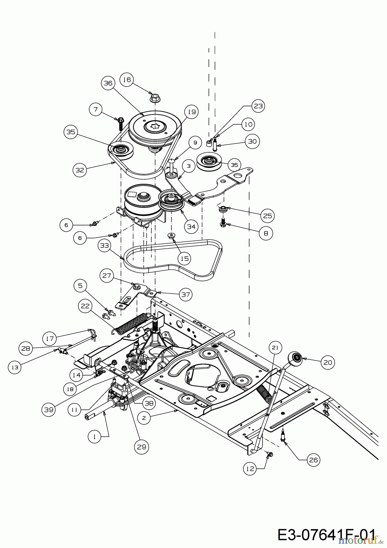
Artikel Nummer:
754-0241A
BildNr:
32
DINNORM:
FINISH:SIEHE ZG. 954-0241A
Bemerkung:
5X35.25
Modell BJ:
Minirider 76 RDE / 2018 LR1 NR76 / 2018 LR1 NS76 / 2018 Minirider 60 RDE / 2018 Minirider 60 SDE / 2018 Minirider 76 SDE / 2018 BG 76 SM / 2018 Scooter Pro / 2018 Scooter / 2018 Scooter M / RDE 60 M / 2018 Scooter MF / RDE 60 M / 2018
38.48 €
für EU incl. MwSt., zzgl. Versand
Der Artikel wurde in den Einkaufswagen gelegt!
sofort Lieferbar
Hier finden Sie die Ersatzteilzeichnung für WOLF-Garten Expert Rasentraktoren Scooter Pro 13C226HD650 (2018) Fahrantrieb. Wählen Sie das benötigte Ersatzteil aus der Ersatzteilliste Ihres WOLF-Garten Expert Gerätes aus und bestellen Sie einfach online. Viele WOLF-Garten Expert Ersatzteile halten wir ständig in unserem Lager für Sie bereit.
Häufig benötigte WOLF-Garten Expert Scooter Pro 13C226HD650 (2018) Fahrantrieb Ersatzteile

Artikelnummer: 754-04331
Suche nach: 754-04331
Hersteller: MTD
WOLF-Garten Expert Ersatzteil Fahrantrieb
Suche nach: 754-04331
Hersteller: MTD
WOLF-Garten Expert Ersatzteil Fahrantrieb
40.04 €
für EU incl. MwSt., zzgl. Versand





















