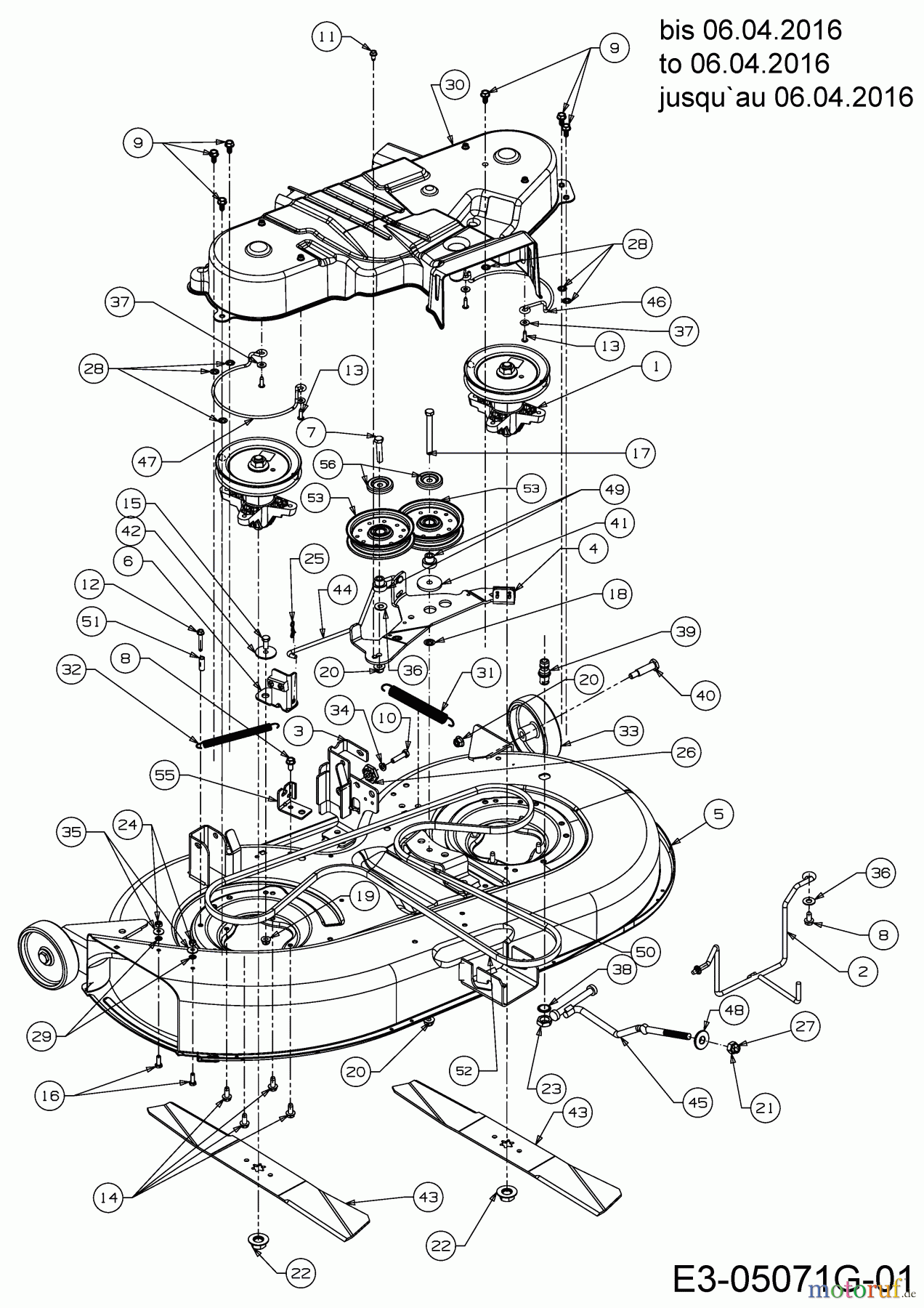
Colombia PX 107 HB 13HN79GG646 (2016) Mähwerk G (42"/107cm) bis 06.04.2016 Ersatzteile
KEILRIEMEN:V:A:96.5":ARAM:C2
Artikel Nummer:
754-04060C
BildNr:
52
DINNORM:
FINISH:N/A 954-04060C
Bemerkung:
V A 96.5"
Modell BJ:
Optima LG 200 H / 2016 Optima LG 165 H / 2016 PX 107 HB / 2016
Width 12,7 mm
Outside length 2451 mm
Outside length 2451 mm
58.24 €
für EU incl. MwSt., zzgl. Versand
Der Artikel wurde in den Einkaufswagen gelegt!
sofort Lieferbar
Hier finden Sie die Ersatzteilzeichnung für Colombia Rasentraktoren PX 107 HB 13HN79GG646 (2016) Mähwerk G (42"/107cm) bis 06.04.2016. Wählen Sie das benötigte Ersatzteil aus der Ersatzteilliste Ihres Colombia Gerätes aus und bestellen Sie einfach online. Viele Colombia Ersatzteile halten wir ständig in unserem Lager für Sie bereit.












































