MTD-Motoren 4P90JHE 752Z4P90JHE (2018) Elektrostarter, Luftfilter, Motorhaube, Reglergestänge, Vergaser Ersatzteile
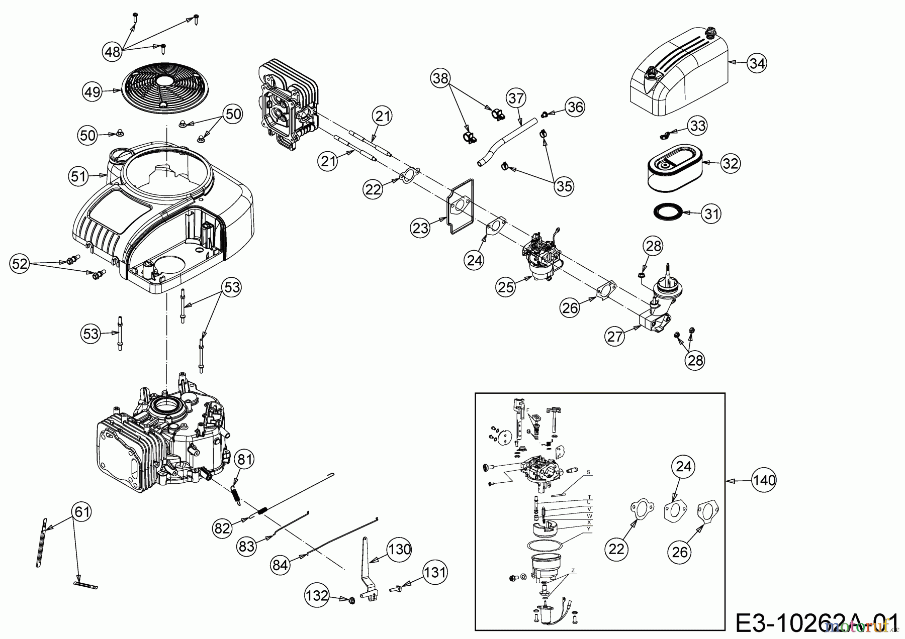
VERGASER
Artikel Nummer:
651-05149
BildNr:
25
DINNORM:
651-05149
Bemerkung:
100005453
Modell BJ:
4P90HUD / 2017 4P90JUF / 2017 4P90HUD / 2018 4P90JHE / 2018
73.84 €
für EU incl. MwSt., zzgl. Versand
Der Artikel wurde in den Einkaufswagen gelegt!


Hier finden Sie die Ersatzteilzeichnung für MTD-Motoren Vertikal 4P90JHE 752Z4P90JHE (2018) Elektrostarter, Luftfilter, Motorhaube, Reglergestänge, Vergaser. Wählen Sie das benötigte Ersatzteil aus der Ersatzteilliste Ihres MTD-Motoren Gerätes aus und bestellen Sie einfach online. Viele MTD-Motoren Ersatzteile halten wir ständig in unserem Lager für Sie bereit.
Häufig benötigte MTD-Motoren 4P90JHE 752Z4P90JHE (2018) Elektrostarter, Luftfilter, Motorhaube, Reglergestänge, Vergaser Ersatzteile


Qualitätsmanagement
Informieren Sie uns, wenn Sie einen Fehler gefunden haben.