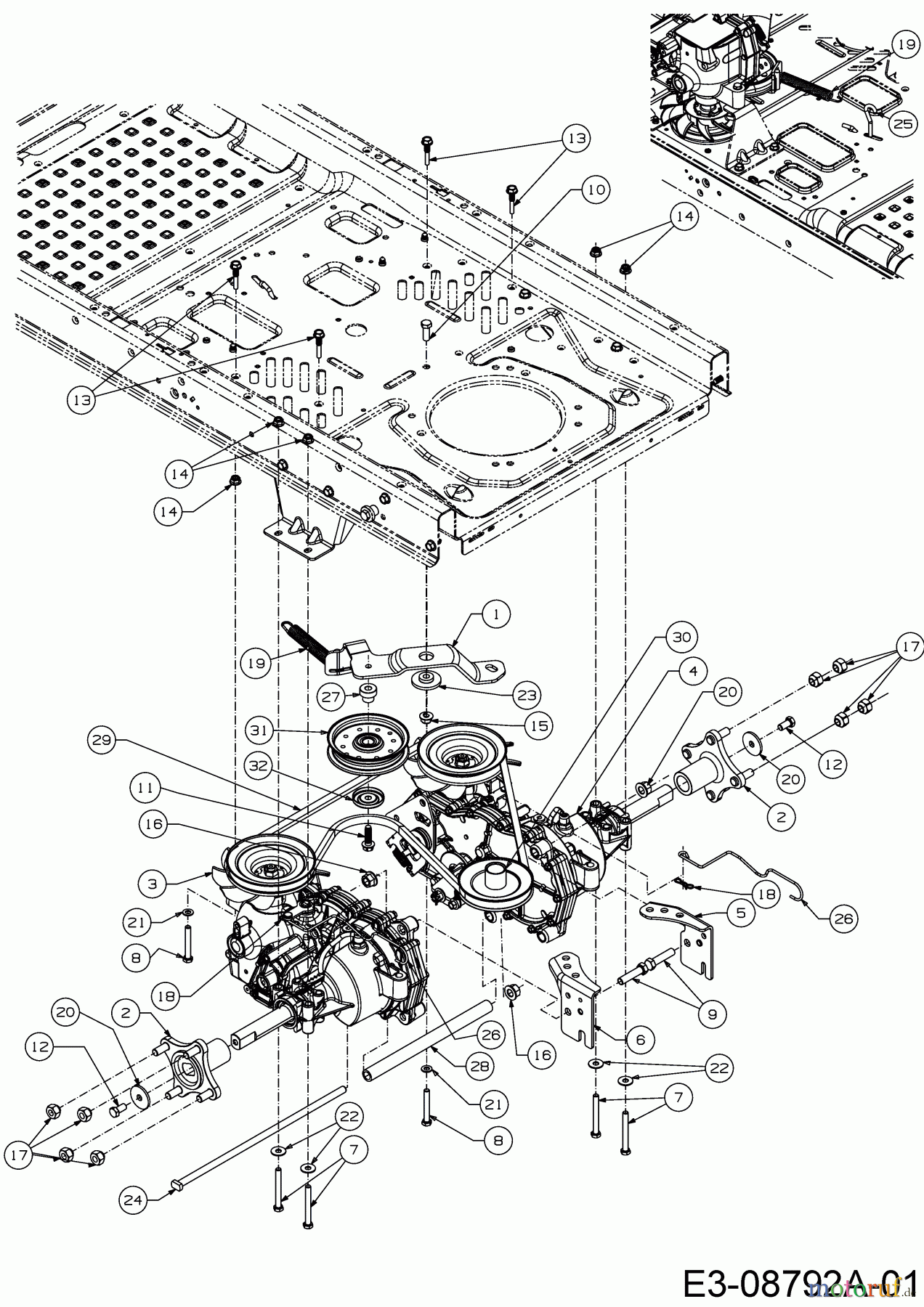
Cub Cadet XZ2 107I 17AWCBYS603 (2018) Fahrantrieb Ersatzteile
KEILRIEMEN ANTRIEB
Artikel Nummer:
754-04317A
BildNr:
29
DINNORM:
754-04317A
Modell BJ:
XZ2 107I / 2018 XZ2 117I / 2018 XZ2 127 / 2018
58.65 €
für EU incl. MwSt., zzgl. Versand
Der Artikel wurde in den Einkaufswagen gelegt!
sofort Lieferbar
Hier finden Sie die Ersatzteilzeichnung für Cub Cadet Zero Turn XZ2 107I 17AWCBYS603 (2018) Fahrantrieb. Wählen Sie das benötigte Ersatzteil aus der Ersatzteilliste Ihres Cub Cadet Gerätes aus und bestellen Sie einfach online. Viele Cub Cadet Ersatzteile halten wir ständig in unserem Lager für Sie bereit.
Häufig benötigte Cub Cadet XZ2 107I 17AWCBYS603 (2018) Fahrantrieb Ersatzteile

Artikelnummer: 754-04317A
Suche nach: 754-04317A
Hersteller: MTD
Cub Cadet Ersatzteil Fahrantrieb
Suche nach: 754-04317A
Hersteller: MTD
Cub Cadet Ersatzteil Fahrantrieb
58.65 €
für EU incl. MwSt., zzgl. Versand


Qualitätsmanagement
Informieren Sie uns, wenn Sie einen Fehler gefunden haben.













