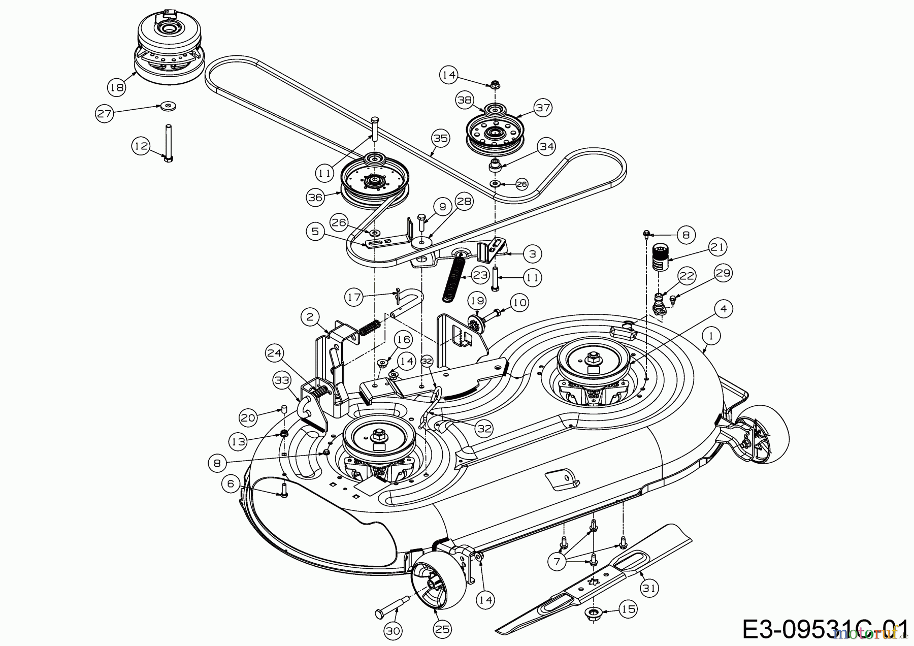
Cub Cadet XZ2 107I 17AWCBYS603 (2018) Mähwerk S (42"/107cm) Ersatzteile
KEILRIEMEN:V-TYPE:A SECx114.24
Artikel Nummer:
754-04137B
BildNr:
35
DINNORM:
ARAMID
Bemerkung:
AX114.24
Modell BJ:
XZ1 107 / 2018 XZ2 107I / 2018
53.56 €
für EU incl. MwSt., zzgl. Versand
Der Artikel wurde in den Einkaufswagen gelegt!
sofort Lieferbar
Hier finden Sie die Ersatzteilzeichnung für Cub Cadet Zero Turn XZ2 107I 17AWCBYS603 (2018) Mähwerk S (42"/107cm). Wählen Sie das benötigte Ersatzteil aus der Ersatzteilliste Ihres Cub Cadet Gerätes aus und bestellen Sie einfach online. Viele Cub Cadet Ersatzteile halten wir ständig in unserem Lager für Sie bereit.
Häufig benötigte Cub Cadet XZ2 107I 17AWCBYS603 (2018) Mähwerk S (42"/107cm) Ersatzteile

Artikelnummer: 754-04137B
Suche nach: 754-04137B
Hersteller: MTD
Cub Cadet Ersatzteil Mähwerk S (42"/107cm)
Suche nach: 754-04137B
Hersteller: MTD
Cub Cadet Ersatzteil Mähwerk S (42"/107cm)
53.56 €
für EU incl. MwSt., zzgl. Versand


Qualitätsmanagement
Informieren Sie uns, wenn Sie einen Fehler gefunden haben.























