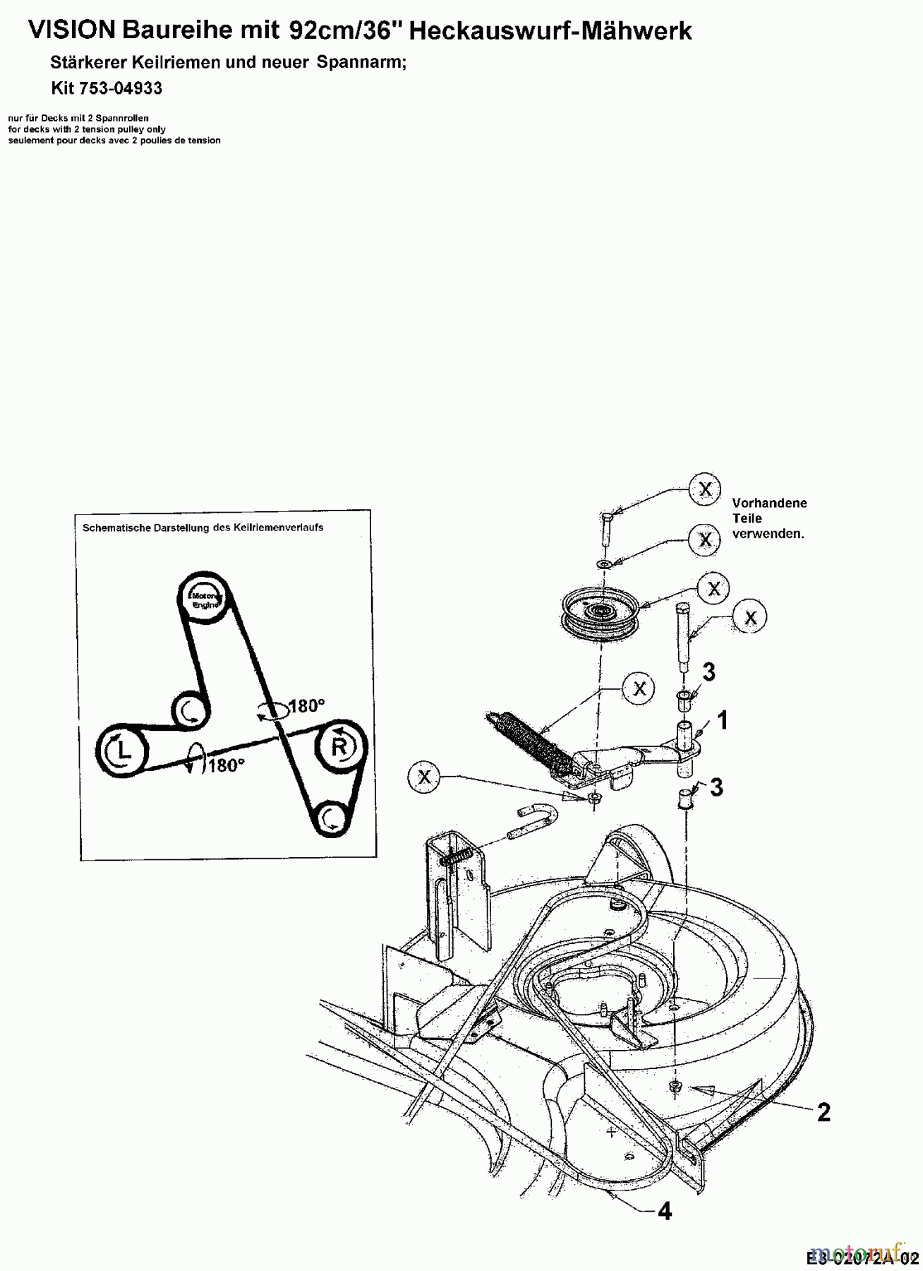
MTD JE 135 A 13AA488E678 (2004) Umbaukit Spannarm Keilriemen Mähwerk E Ersatzteile
KEILRIEMEN:V TYP:HB x 95" LG
Artikel Nummer:
754-04075
BildNr:
4
Modell BJ:
RMH 514-92 A / 2004 703 / 2004 705 / 2004 155/92 A PREMIUM / 2004 Silvertrac 18/92 H / 2004 VL 15536 TD / 2004 JE 125 H / 2004 JE 135 A / 2004 AE 5135 / 2004 AE 5150 K / 2004 HE 5150 K / 2004 HE 5150 K / 2004 13/92 / 2004 GLX 92 RA / 2004 AMH 1303 / 200
Zusatztext EN:
fsg
Zusatztext FR:
fsg
Zusatztext DE:
fsg
99.84 €
für EU incl. MwSt., zzgl. Versand
Der Artikel wurde in den Einkaufswagen gelegt!
sofort Lieferbar
Hier finden Sie die Ersatzteilzeichnung für MTD Rasentraktoren JE 135 A 13AA488E678 (2004) Umbaukit Spannarm Keilriemen Mähwerk E. Wählen Sie das benötigte Ersatzteil aus der Ersatzteilliste Ihres MTD Gerätes aus und bestellen Sie einfach online. Viele MTD Ersatzteile halten wir ständig in unserem Lager für Sie bereit.
Häufig benötigte MTD JE 135 A 13AA488E678 (2004) Umbaukit Spannarm Keilriemen Mähwerk E Ersatzteile

Artikelnummer: 754-04075
Suche nach: 754-04075
Hersteller: MTD
MTD Ersatzteil Umbaukit Spannarm Keilriemen Mähwerk E
Suche nach: 754-04075
Hersteller: MTD
MTD Ersatzteil Umbaukit Spannarm Keilriemen Mähwerk E
99.84 €
für EU incl. MwSt., zzgl. Versand
| BildNr | Artikel Nummer | Bezeichnung | |
| 1 | 683-04072A | SPANNROLLENTRÄGER-LINKS E-DECK | |
| 2 | ![]() | 712-0290 | 6KT-S-MUTTER:7/16-14:GRA:CTRLK |
| 3 | ![]() | 741-0591 | FLANSCHLAGER.630 ID x .693 OD |
| 4 | ![]() | 754-04075 | KEILRIEMEN:V TYP:HB x 95" LG |






