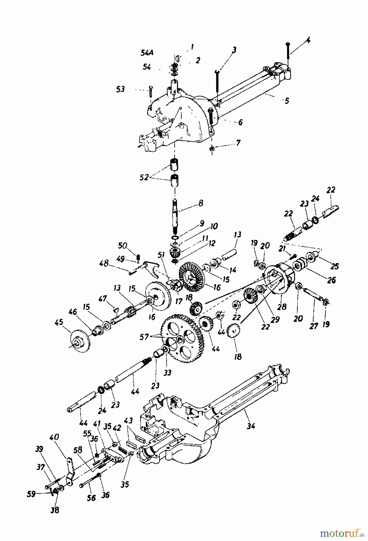
MTD 11/81 139-3420 (1989) Getriebe Ersatzteile
LAGERBUCHSE:.75 x 1.00 x 1.00
Artikel Nummer:
741-0340
BildNr:
23
Modell BJ:
11/81 / 1989
DINNORM:
741-0340 / 941-0340
17.17 €
für EU incl. MwSt., zzgl. Versand
Der Artikel wurde in den Einkaufswagen gelegt!
Wird für Sie bestellt: Lieferzeit ca. 5 Werktage.
Hier finden Sie die Ersatzteilzeichnung für MTD Rasentraktoren 11/81 139-3420 (1989) Getriebe. Wählen Sie das benötigte Ersatzteil aus der Ersatzteilliste Ihres MTD Gerätes aus und bestellen Sie einfach online. Viele MTD Ersatzteile halten wir ständig in unserem Lager für Sie bereit.
Häufig benötigte MTD 11/81 139-3420 (1989) Getriebe Ersatzteile

Artikelnummer: 741-0340
Suche nach: 741-0340
Hersteller: MTD
MTD Ersatzteil Getriebe
Suche nach: 741-0340
Hersteller: MTD
MTD Ersatzteil Getriebe
17.17 €
für EU incl. MwSt., zzgl. Versand


Qualitätsmanagement
Informieren Sie uns, wenn Sie einen Fehler gefunden haben.


















