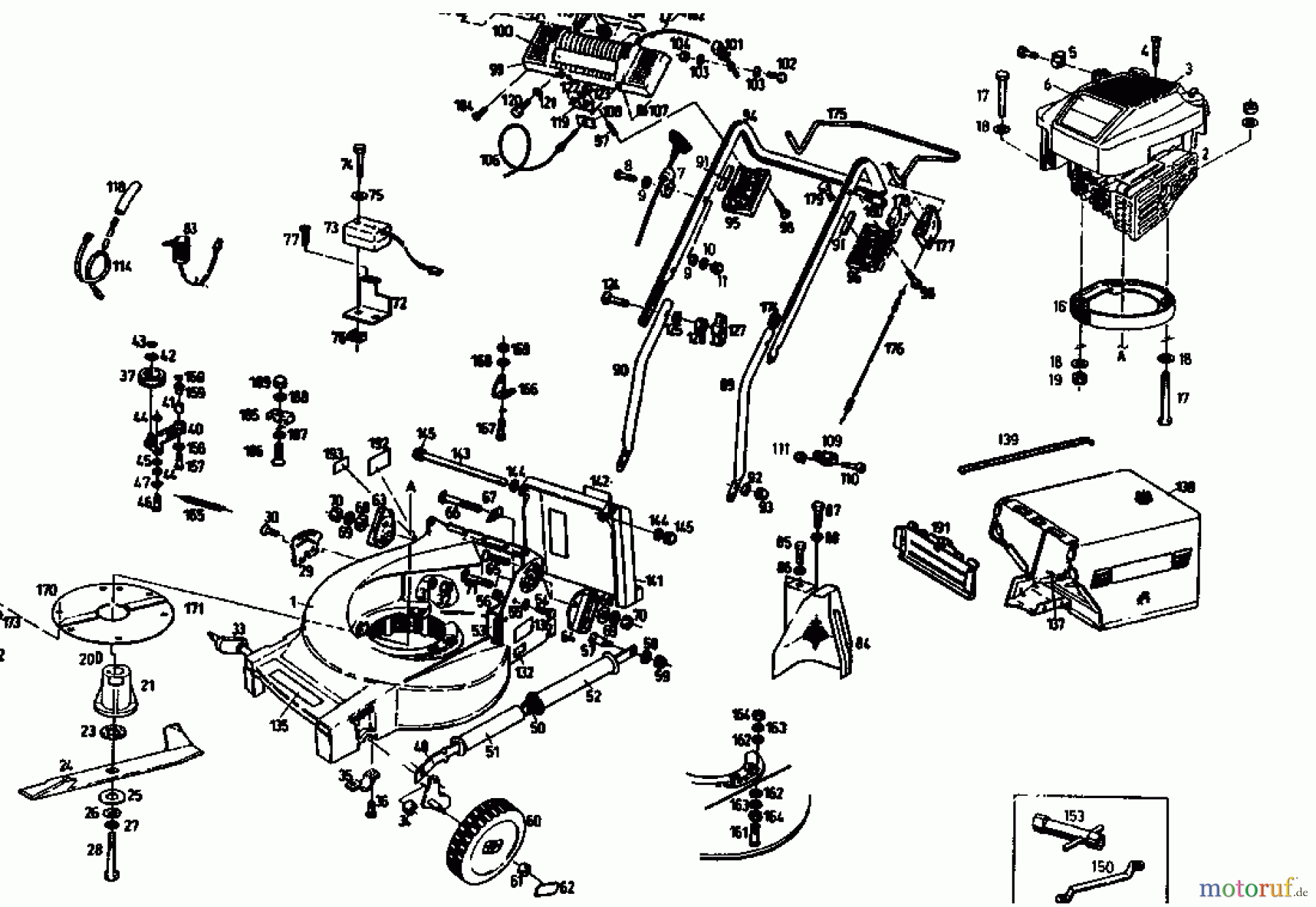
Gutbrod MH 454 REB 04006.08 (1993) Ersatzteile
REIBSCHEIBE
Artikel Nummer:
079.77.053
BildNr:
23
Modell BJ:
MH 454 REB / 1993
4.37 €
für EU incl. MwSt., zzgl. Versand
Der Artikel wurde in den Einkaufswagen gelegt!
sofort Lieferbar
Hier finden Sie die Ersatzteilzeichnung für Gutbrod Motormäher mit Antrieb MH 454 REB 04006.08 (1993) Grundgerät. Wählen Sie das benötigte Ersatzteil aus der Ersatzteilliste Ihres Gutbrod Gerätes aus und bestellen Sie einfach online. Viele Gutbrod Ersatzteile halten wir ständig in unserem Lager für Sie bereit.
Häufig benötigte Gutbrod MH 454 REB 04006.08 (1993) Ersatzteile

Artikelnummer: 079.77.053
Suche nach: 079.77.053
Hersteller: MTD
Gutbrod Ersatzteil 04006.08 (1993)
Suche nach: 079.77.053
Hersteller: MTD
Gutbrod Ersatzteil 04006.08 (1993)
4.37 €
für EU incl. MwSt., zzgl. Versand


Qualitätsmanagement
Informieren Sie uns, wenn Sie einen Fehler gefunden haben.

