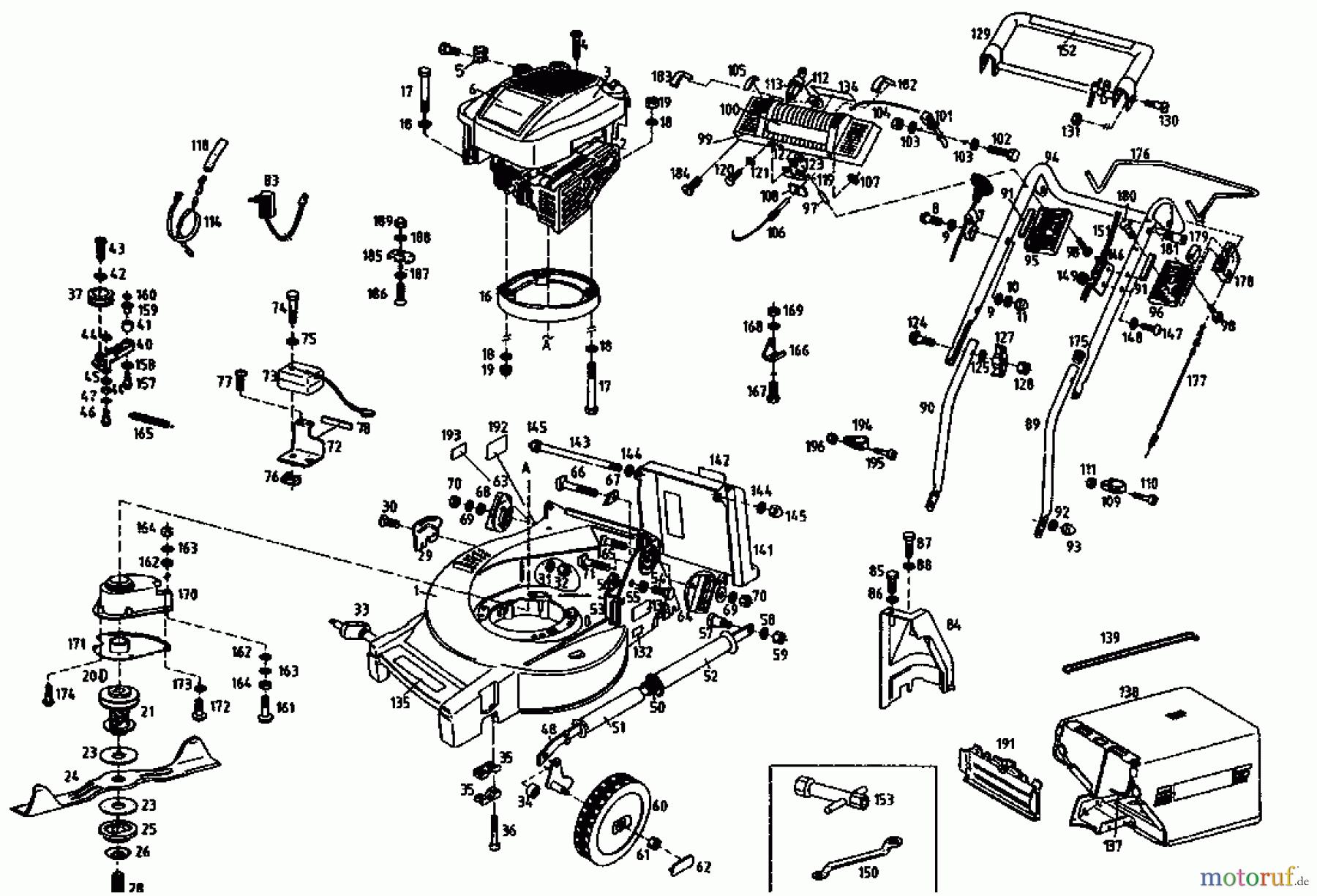
Gutbrod MH 454 RBE 04024.01 (1995) Ersatzteile
SCHEIBE DIN 125
Artikel Nummer:
24.6481.18
BildNr:
125
DINNORM:
A8,4 Zn 5glcB 736-0700
Modell BJ:
MH 454 RBE / 1994 MH 454 RBE / 1995
2.50 €
für EU incl. MwSt., zzgl. Versand
Der Artikel wurde in den Einkaufswagen gelegt!
sofort Lieferbar
Hier finden Sie die Ersatzteilzeichnung für Gutbrod Motormäher mit Antrieb MH 454 RBE 04024.01 (1995) Grundgerät. Wählen Sie das benötigte Ersatzteil aus der Ersatzteilliste Ihres Gutbrod Gerätes aus und bestellen Sie einfach online. Viele Gutbrod Ersatzteile halten wir ständig in unserem Lager für Sie bereit.


Qualitätsmanagement
Informieren Sie uns, wenn Sie einen Fehler gefunden haben.

