Gutbrod HB 42 RL 04029.01 (1995) Ersatzteile
MESSER 40cm -L-
Artikel Nummer:
000.77.007
BildNr:
000.
Modell BJ:
HB 42 RL / 1995
DINNORM:
*S* + WERKSZEUGNIS 742-0805
28.08 €
für EU incl. MwSt., zzgl. Versand
Der Artikel wurde in den Einkaufswagen gelegt!
Wird für Sie bestellt: Lieferzeit ca. 5 Werktage.
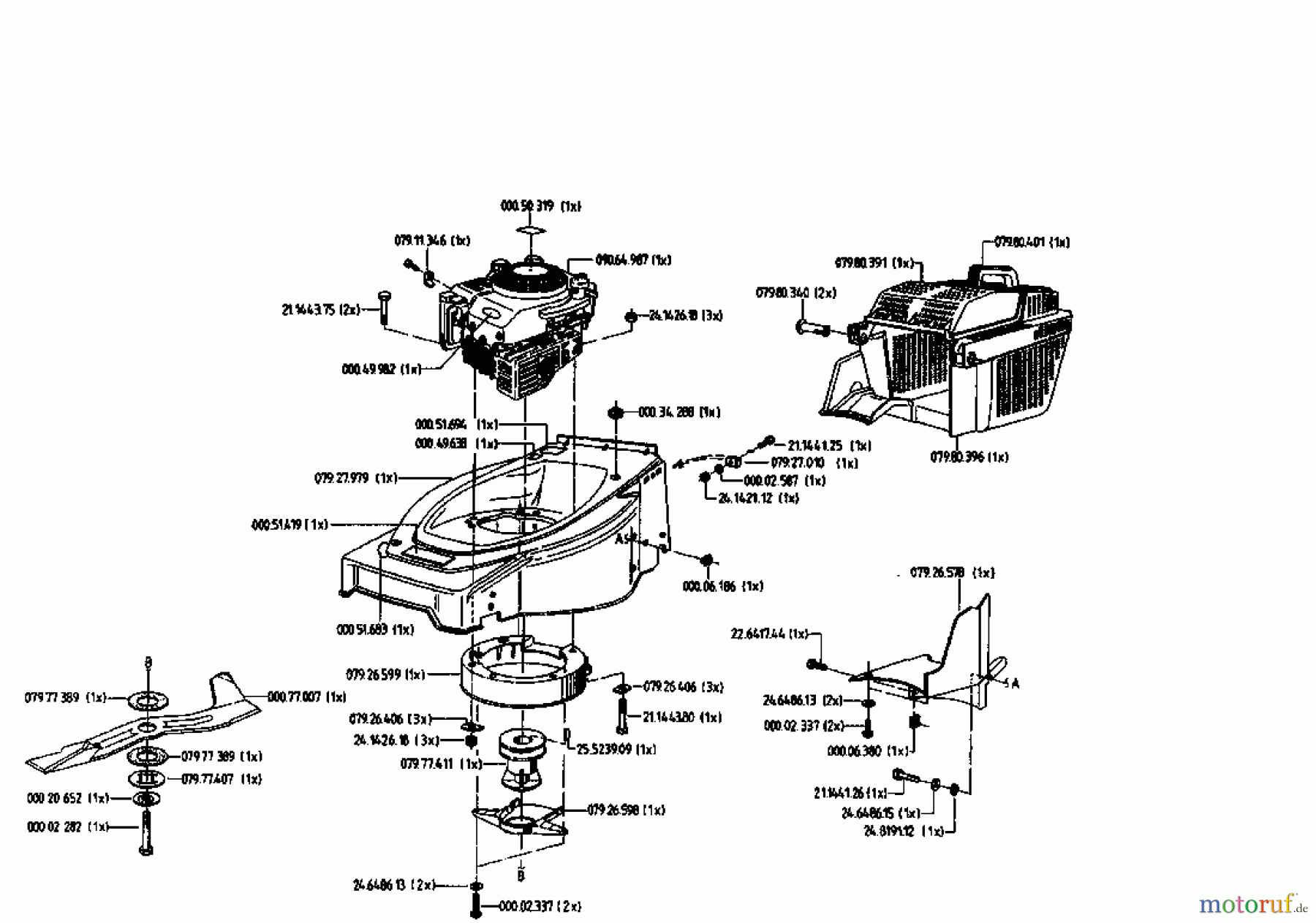
Hier finden Sie die Ersatzteilzeichnung für Gutbrod Motormäher mit Antrieb HB 42 RL 04029.01 (1995) Grundgerät. Wählen Sie das benötigte Ersatzteil aus der Ersatzteilliste Ihres Gutbrod Gerätes aus und bestellen Sie einfach online. Viele Gutbrod Ersatzteile halten wir ständig in unserem Lager für Sie bereit.
Häufig benötigte Gutbrod HB 42 RL 04029.01 (1995) Ersatzteile

Artikelnummer: 000.77.007
Suche nach: 000.77.007
Hersteller: MTD
Gutbrod Ersatzteil 04029.01 (1995)
Suche nach: 000.77.007
Hersteller: MTD
Gutbrod Ersatzteil 04029.01 (1995)
28.08 €
für EU incl. MwSt., zzgl. Versand


Qualitätsmanagement
Informieren Sie uns, wenn Sie einen Fehler gefunden haben.

