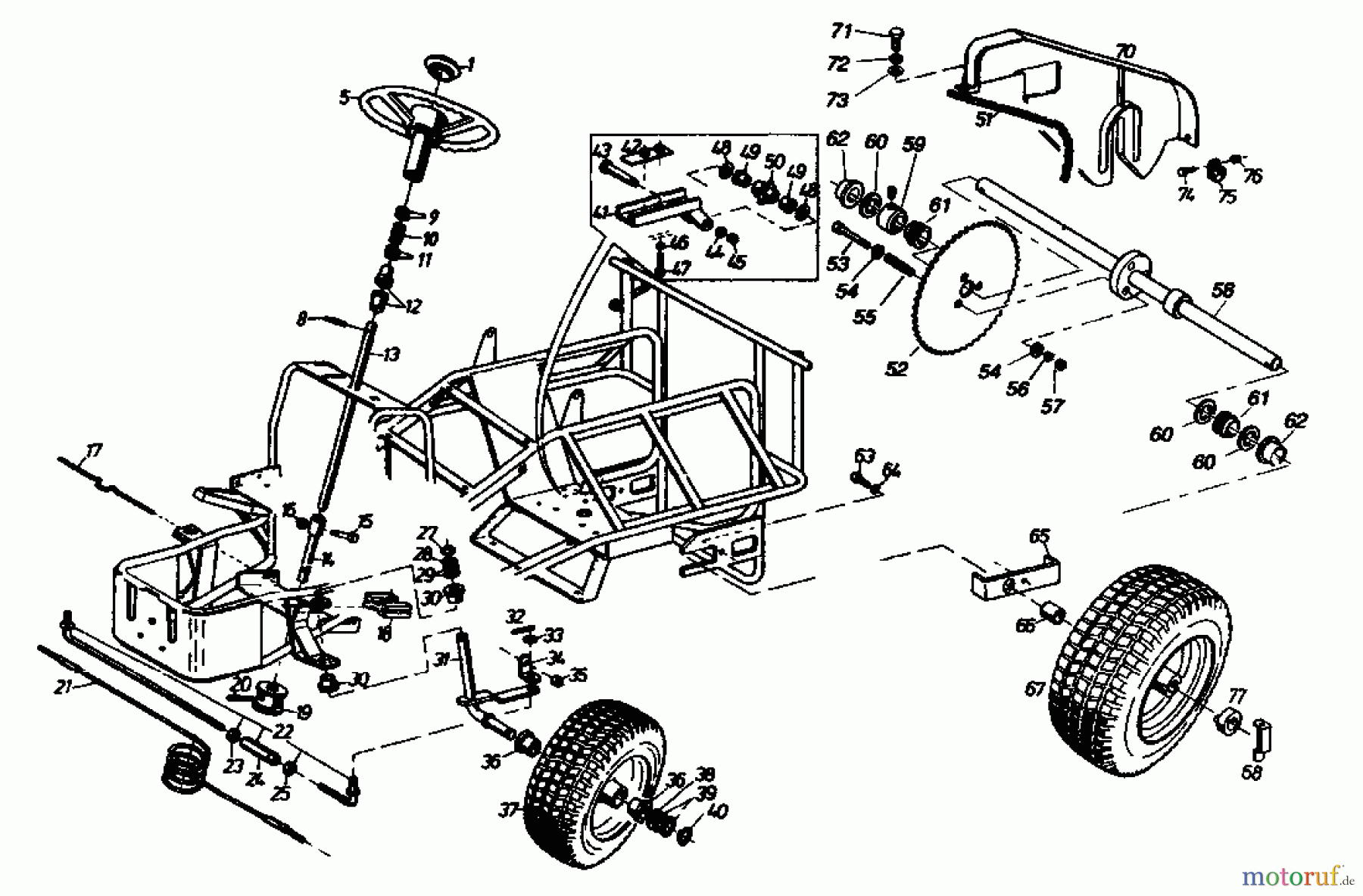
Gutbrod Sprint 1002 E 02840.08 (1994) Hinterachse, Lenkung, Räder Ersatzteile
DRAHTSEIL
Artikel Nummer:
029.27.033
BildNr:
21
Modell BJ:
Sprint 1002 E / 1994
44.19 €
für EU incl. MwSt., zzgl. Versand
Der Artikel wurde in den Einkaufswagen gelegt!
Wird für Sie bestellt: Lieferzeit ca. 5 bis 14 Werktage.
Hier finden Sie die Ersatzteilzeichnung für Gutbrod Rasentraktoren Sprint 1002 E 02840.08 (1994) Hinterachse, Lenkung, Räder. Wählen Sie das benötigte Ersatzteil aus der Ersatzteilliste Ihres Gutbrod Gerätes aus und bestellen Sie einfach online. Viele Gutbrod Ersatzteile halten wir ständig in unserem Lager für Sie bereit.
Häufig benötigte Gutbrod Sprint 1002 E 02840.08 (1994) Hinterachse, Lenkung, Räder Ersatzteile


Qualitätsmanagement
Informieren Sie uns, wenn Sie einen Fehler gefunden haben.





