Gutbrod BM 710 07515.03 (1994) Holm Ersatzteile
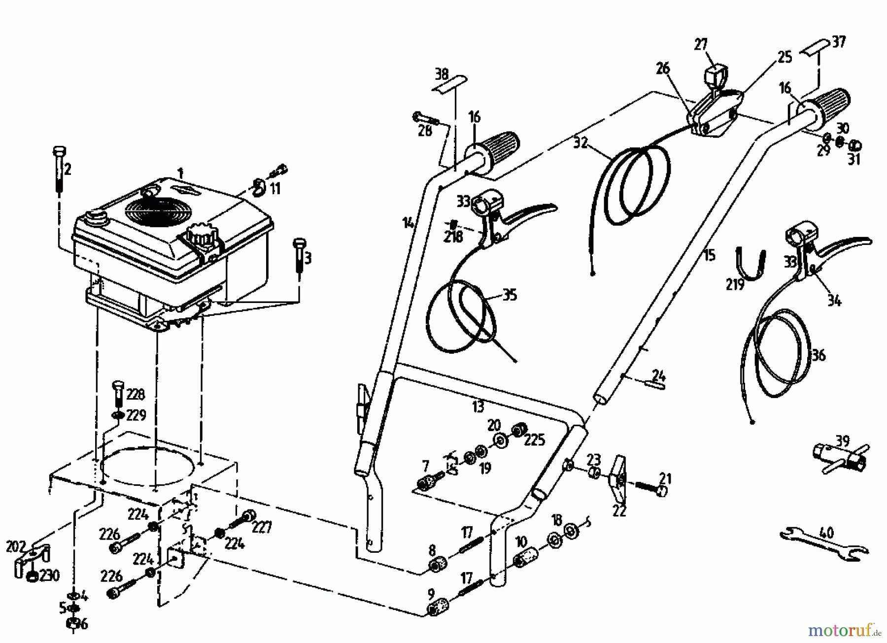
GASHEBEL
Artikel Nummer:
079.11.278
BildNr:
27
Modell BJ:
BM 710 / 1994
DINNORM:
SCHWARZ RAL 9005 731-2044
9.36 €
für EU incl. MwSt., zzgl. Versand
Der Artikel wurde in den Einkaufswagen gelegt!


Hier finden Sie die Ersatzteilzeichnung für Gutbrod Balkenmäher BM 710 07515.03 (1994) Holm. Wählen Sie das benötigte Ersatzteil aus der Ersatzteilliste Ihres Gutbrod Gerätes aus und bestellen Sie einfach online. Viele Gutbrod Ersatzteile halten wir ständig in unserem Lager für Sie bereit.
Häufig benötigte Gutbrod BM 710 07515.03 (1994) Holm Ersatzteile


Qualitätsmanagement
Informieren Sie uns, wenn Sie einen Fehler gefunden haben.