Güde Benzin-Vertikutierer MOTOR-VERTIKUTIERER GV 2400 SL - 95140 FSL95140-02 Ersatzteile
RIEMEN
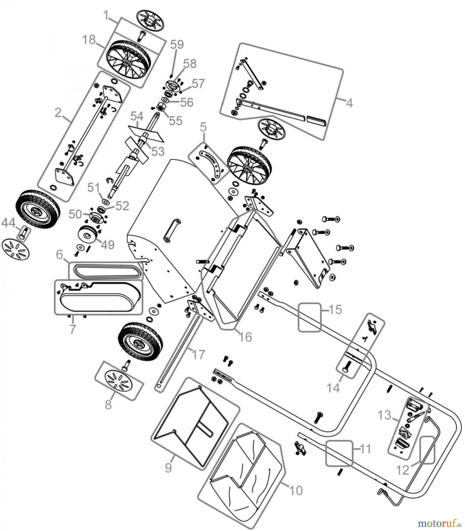
Artikel Nummer:
95140-02006
BildNr:
6
22.36 €
für EU incl. MwSt., zzgl. Versand
Der Artikel wurde in den Einkaufswagen gelegt!
Wird für Sie bestellt: Lieferzeit ca. 5 bis 14 Werktage.Gültig für folgende Seriennummern (ersten 5 Ziffern der Geräteseriennummer)
05689 46844 46845 46846 46847 46952 46962 47001 49061 49196 49211 49212 49260 49567 49818 50001 52349 52350 52351 54812 56824 56825 56888 56972

Hier finden Sie die Ersatzteilzeichnung für Güde Gartentechnik Vertikutierer Benzin-Vertikutierer MOTOR-VERTIKUTIERER GV 2400 SL - 95140 FSL95140-02 Seite 1. Wählen Sie das benötigte Ersatzteil aus der Ersatzteilliste Ihres Güde Gerätes aus und bestellen Sie einfach online. Viele Güde Ersatzteile halten wir ständig in unserem Lager für Sie bereit.
Häufig benötigte Güde Benzin-Vertikutierer MOTOR-VERTIKUTIERER GV 2400 SL - 95140 FSL95140-02 Ersatzteile

Artikelnummer: 99999-6002G
Suche nach: 99999-6002G
Hersteller: Güde
Güde Ersatzteil FSL95140-02
Suche nach: 99999-6002G
Hersteller: Güde
Güde Ersatzteil FSL95140-02
13.47 €
für EU incl. MwSt., zzgl. Versand


Qualitätsmanagement
Informieren Sie uns, wenn Sie einen Fehler gefunden haben.




