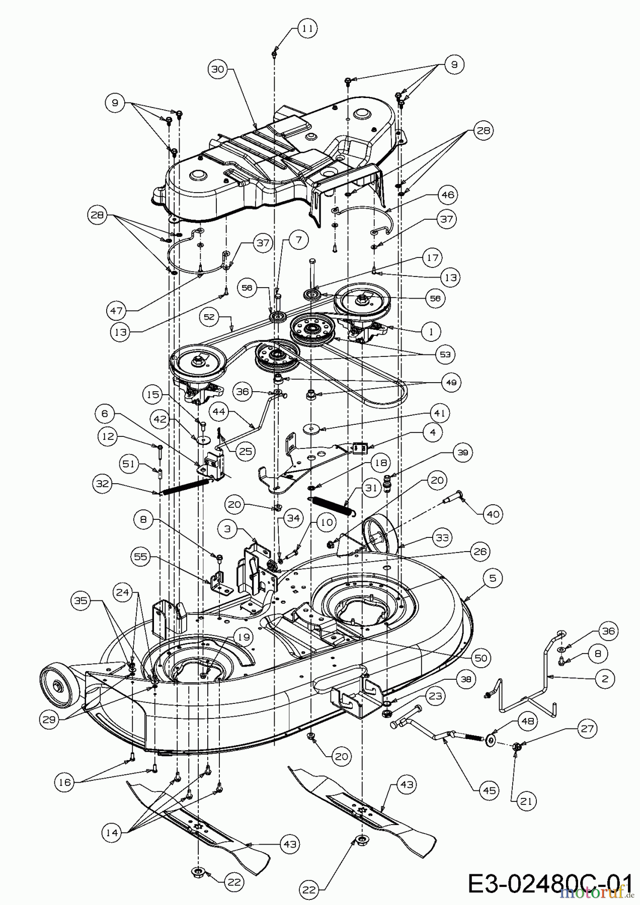
MTD Black 200-107 TB 13HT76KG615 (2016) Mähwerk G (42"/107cm) Ersatzteile
KEILRIEMEN:V:A:96.5":ARAM:C2
Artikel Nummer:
754-04060C
BildNr:
52
DINNORM:
FINISH:N/A 954-04060C
Bemerkung:
96.5"
Modell BJ:
PX 107 HBT / 2016 Black 200-107 TB / 2016 PX 107 HBT / 2017
Width 12,7 mm
Outside length 2451 mm
Outside length 2451 mm
58.24 €
für EU incl. MwSt., zzgl. Versand
Der Artikel wurde in den Einkaufswagen gelegt!
sofort Lieferbar
Hier finden Sie die Ersatzteilzeichnung für MTD Rasentraktoren Black 200-107 TB 13HT76KG615 (2016) Mähwerk G (42"/107cm). Wählen Sie das benötigte Ersatzteil aus der Ersatzteilliste Ihres MTD Gerätes aus und bestellen Sie einfach online. Viele MTD Ersatzteile halten wir ständig in unserem Lager für Sie bereit.
Häufig benötigte MTD Black 200-107 TB 13HT76KG615 (2016) Mähwerk G (42"/107cm) Ersatzteile


Qualitätsmanagement
Informieren Sie uns, wenn Sie einen Fehler gefunden haben.











































