MTD 96 13H2765F600 (2017) Fahrantrieb Ersatzteile
KEILRIEMEN:V TYP:5L x 34.91"LG
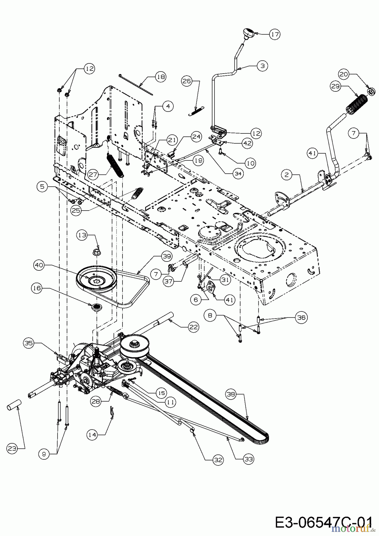
Artikel Nummer:
754-04285
BildNr:
39
Modell BJ:
GF 140 / 2016 Smart RF 125 / 2016 96-125 / 2016 BE 96 T / 2016 Mastercut 96 / 2016 MTD 96 / 2016 MTD 96 / 2017 Smart RF 125 / 2017 GF 140 / 2017
DINNORM:
FINISH:SIEHE ZG.
Bemerkung:
V TYP 5LX34.91"
38.48 €
für EU incl. MwSt., zzgl. Versand
Der Artikel wurde in den Einkaufswagen gelegt!
sofort Lieferbar
Hier finden Sie die Ersatzteilzeichnung für MTD Rasentraktoren MTD 96 13H2765F600 (2017) Fahrantrieb. Wählen Sie das benötigte Ersatzteil aus der Ersatzteilliste Ihres MTD Gerätes aus und bestellen Sie einfach online. Viele MTD Ersatzteile halten wir ständig in unserem Lager für Sie bereit.
Häufig benötigte MTD 96 13H2765F600 (2017) Fahrantrieb Ersatzteile


Qualitätsmanagement
Informieren Sie uns, wenn Sie einen Fehler gefunden haben.























