MTD Minirider 60 RDHE 13A521SC600 (2017) Elektroteile Ersatzteile
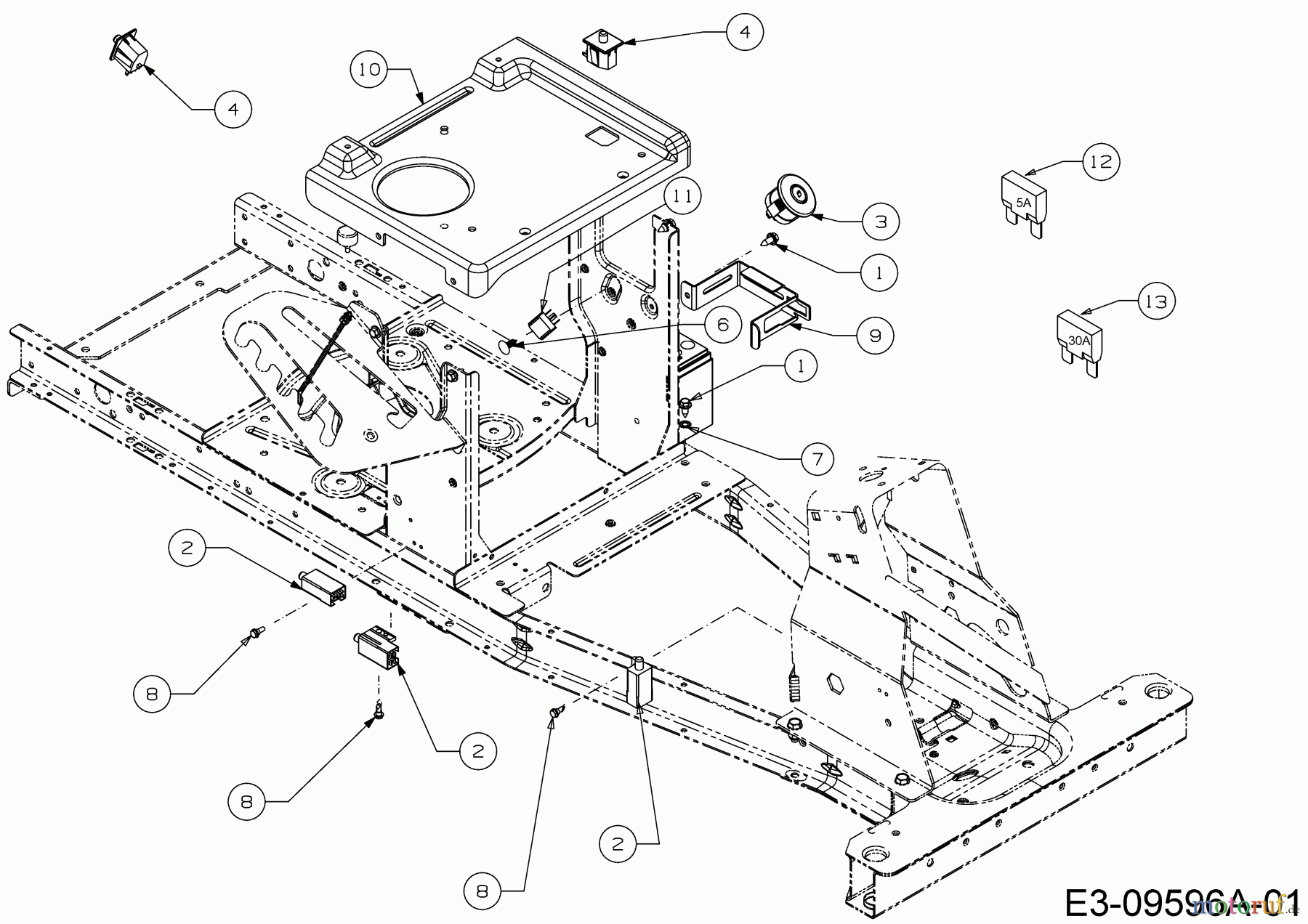
KONTAKTSCHALTER:NO/NC:4 POLIG
Achtung: Dieser Artikel ist 3x im Gerät verbaut, der Preis gilt pro Stück!
Artikel Nummer:
725-04363
BildNr:
2
DINNORM:
FINISH:SIEHE ZG.
Bemerkung:
4 POLIG
Modell BJ:
Minirider 60 RDHE / 2016 Minirider 60 RDHE / 2017
18.93 €
für EU incl. MwSt., zzgl. Versand
Der Artikel wurde in den Einkaufswagen gelegt!
sofort Lieferbar
Hier finden Sie die Ersatzteilzeichnung für MTD Rasentraktoren Minirider 60 RDHE 13A521SC600 (2017) Elektroteile. Wählen Sie das benötigte Ersatzteil aus der Ersatzteilliste Ihres MTD Gerätes aus und bestellen Sie einfach online. Viele MTD Ersatzteile halten wir ständig in unserem Lager für Sie bereit.
Häufig benötigte MTD Minirider 60 RDHE 13A521SC600 (2017) Elektroteile Ersatzteile

Artikelnummer: 725-04363
Suche nach: 725-04363
Hersteller: MTD
MTD Ersatzteil Elektroteile
Suche nach: 725-04363
Hersteller: MTD
MTD Ersatzteil Elektroteile
18.93 €
für EU incl. MwSt., zzgl. Versand


Qualitätsmanagement
Informieren Sie uns, wenn Sie einen Fehler gefunden haben.







