Fleurelle Benzinrasenmäher BA 471 Ersatzteile
RAD 200 MKL QUERPROFIL RT
Achtung: Dieser Artikel ist 2x im Gerät verbaut, der Preis gilt pro Stück!
Artikel Nummer:
AL531670
28.39 €
für EU incl. MwSt., zzgl. Versand
Der Artikel wurde in den Einkaufswagen gelegt!
Wird für Sie bestellt: Lieferzeit ca. 5 bis 14 Werktage.Artikel Nummer: 118107 01112000

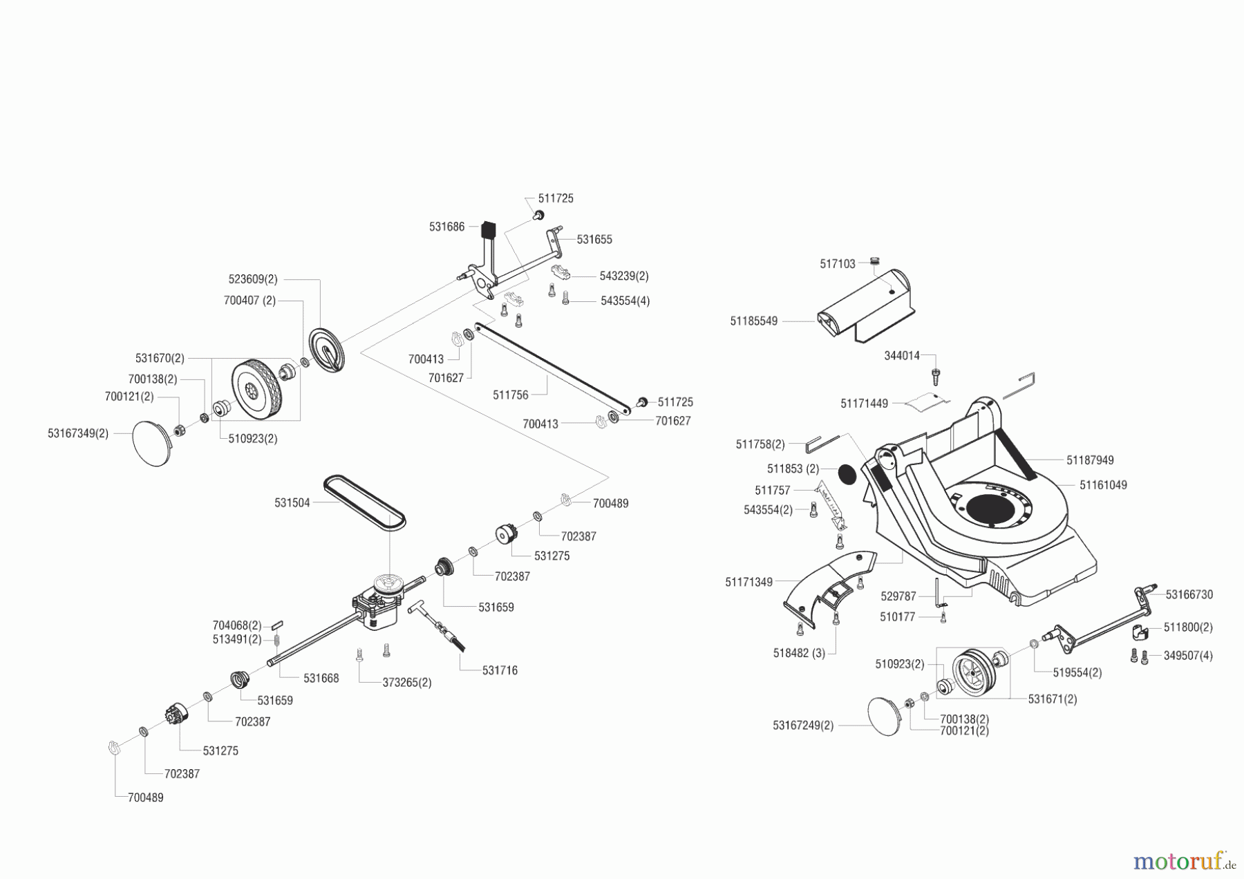
Hier finden Sie die Ersatzteilzeichnung für Fleurelle Gartentechnik Benzinrasenmäher BA 471 11/2000 - 11/2001 Seite 1. Wählen Sie das benötigte Ersatzteil aus der Ersatzteilliste Ihres Fleurelle Gerätes aus und bestellen Sie einfach online. Viele Fleurelle Ersatzteile halten wir ständig in unserem Lager für Sie bereit.
Häufig benötigte Fleurelle Benzinrasenmäher BA 471 Ersatzteile

Artikelnummer: AL531670
Suche nach: AL531670
Hersteller: Alko
Fleurelle Ersatzteil BA 471
Suche nach: AL531670
Hersteller: Alko
Fleurelle Ersatzteil BA 471
28.39 €
für EU incl. MwSt., zzgl. Versand


Qualitätsmanagement
Informieren Sie uns, wenn Sie einen Fehler gefunden haben.





















