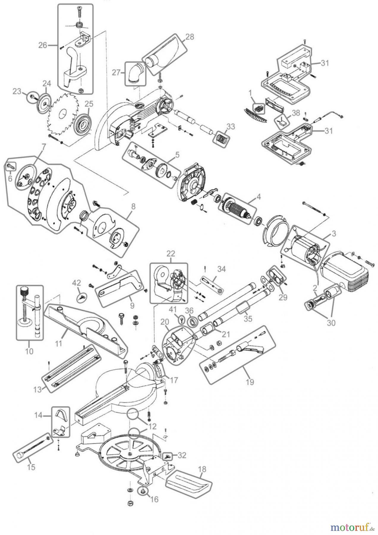
Güde RADIALKAPPSÄGE GRK 250/500 - 55004 FSL55004-02 Ersatzteile
ROTOR
Artikel Nummer:
55003-02004
BildNr:
4
51.48 €
für EU incl. MwSt., zzgl. Versand
Der Artikel wurde in den Einkaufswagen gelegt!
Wird für Sie bestellt: Lieferzeit ca. 5 bis 14 Werktage.Gültig für folgende Seriennummern (ersten 5 Ziffern der Geräteseriennummer)
54684 55835 57158

Hier finden Sie die Ersatzteilzeichnung für Güde Holzbearbeitung Radialkappsägen RADIALKAPPSÄGE GRK 250/500 - 55004 FSL55004-02. Wählen Sie das benötigte Ersatzteil aus der Ersatzteilliste Ihres Güde Gerätes aus und bestellen Sie einfach online. Viele Güde Ersatzteile halten wir ständig in unserem Lager für Sie bereit.
Häufig benötigte Güde RADIALKAPPSÄGE GRK 250/500 - 55004 FSL55004-02 Ersatzteile


Qualitätsmanagement
Informieren Sie uns, wenn Sie einen Fehler gefunden haben.





