Güde RADIALKAPPSÄGE GRK 250/300 - 55003 FSL55003-02 Ersatzteile
KOHLENHALTER 2ER-SET
Artikel Nummer:
55003-02030
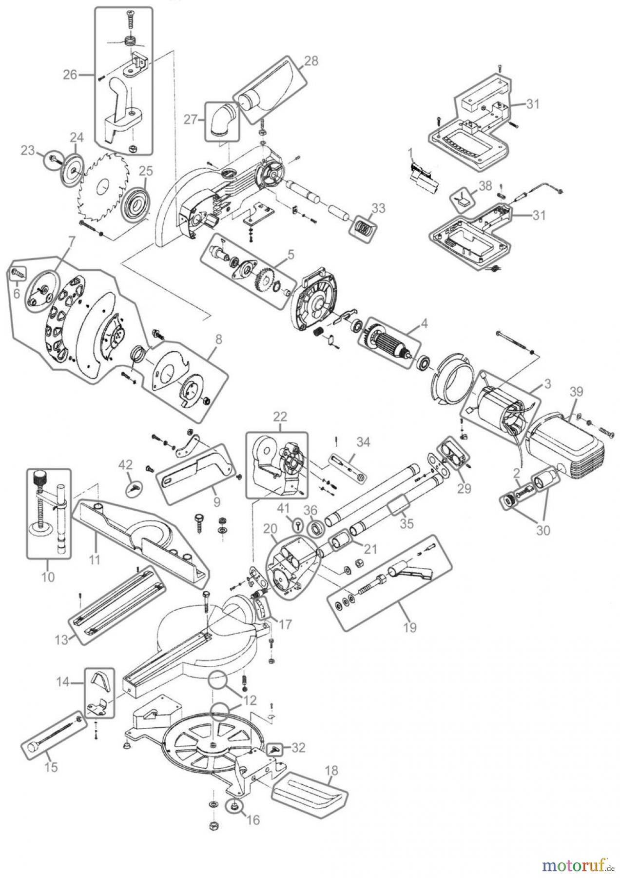
BildNr:
30
10.35 €
für EU incl. MwSt., zzgl. Versand
Der Artikel wurde in den Einkaufswagen gelegt!
Wird für Sie bestellt: Lieferzeit ca. 5 bis 14 Werktage.Gültig für folgende Seriennummern (ersten 5 Ziffern der Geräteseriennummer)
54684 55155 57015

Hier finden Sie die Ersatzteilzeichnung für Güde Holzbearbeitung Radialkappsägen RADIALKAPPSÄGE GRK 250/300 - 55003 FSL55003-02. Wählen Sie das benötigte Ersatzteil aus der Ersatzteilliste Ihres Güde Gerätes aus und bestellen Sie einfach online. Viele Güde Ersatzteile halten wir ständig in unserem Lager für Sie bereit.
Häufig benötigte Güde RADIALKAPPSÄGE GRK 250/300 - 55003 FSL55003-02 Ersatzteile


Artikelnummer: 55003-02030
Suche nach: 55003-02030
Hersteller: Güde
Güde Ersatzteil FSL55003-02
Suche nach: 55003-02030
Hersteller: Güde
Güde Ersatzteil FSL55003-02
10.35 €
für EU incl. MwSt., zzgl. Versand


Qualitätsmanagement
Informieren Sie uns, wenn Sie einen Fehler gefunden haben.




