Güde RADIALKAPPSÄGE GRK 250/300 SET - 00562 FSL00562-01 Ersatzteile
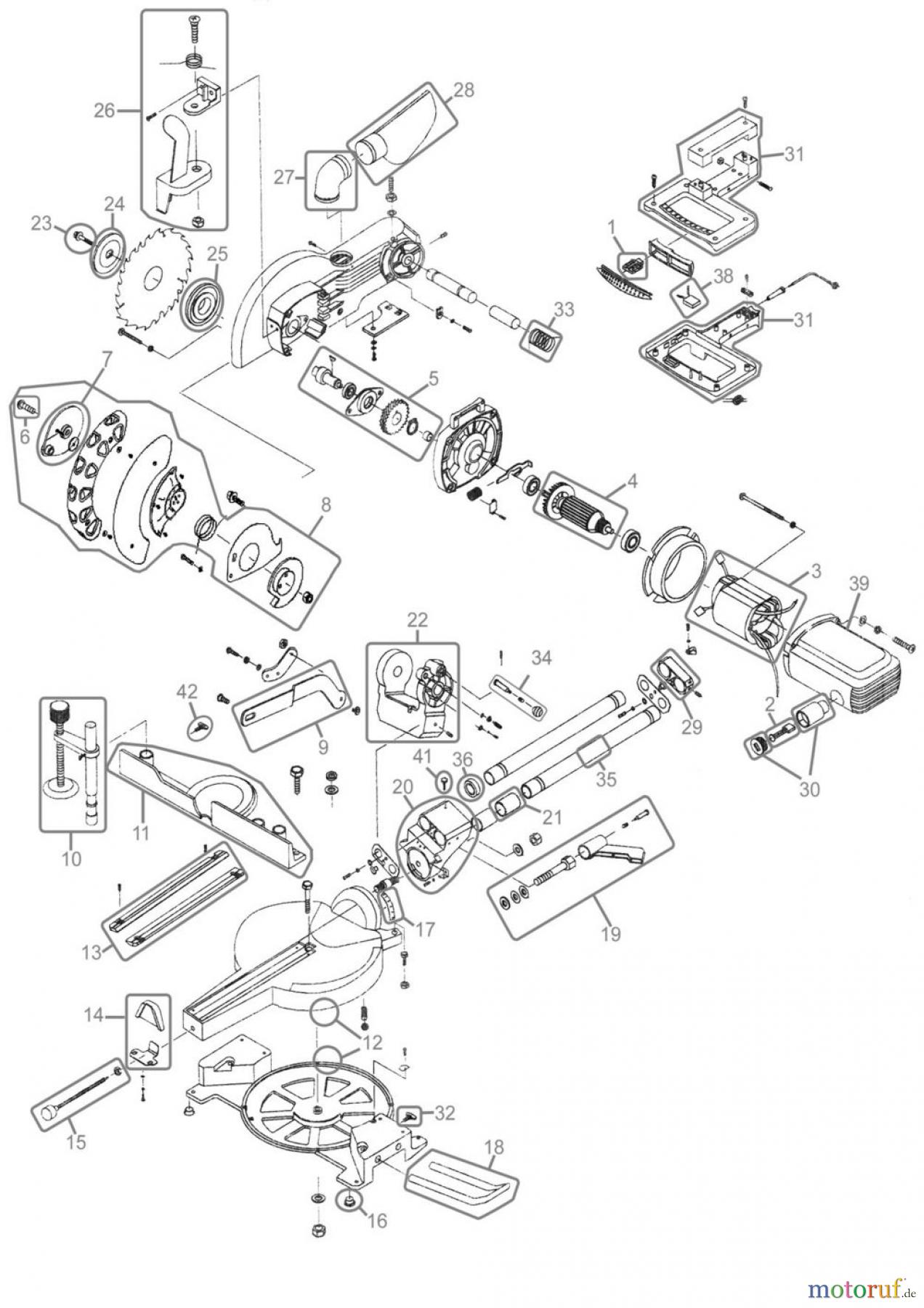
ROTOR
Artikel Nummer:
55003-02004
BildNr:
4
51.48 €
für EU incl. MwSt., zzgl. Versand
Der Artikel wurde in den Einkaufswagen gelegt!
Wird für Sie bestellt: Lieferzeit ca. 5 bis 14 Werktage.Gültig für folgende Seriennummern (ersten 5 Ziffern der Geräteseriennummer)
58159 58160

Hier finden Sie die Ersatzteilzeichnung für Güde Holzbearbeitung Radialkappsägen RADIALKAPPSÄGE GRK 250/300 SET - 00562 FSL00562-01. Wählen Sie das benötigte Ersatzteil aus der Ersatzteilliste Ihres Güde Gerätes aus und bestellen Sie einfach online. Viele Güde Ersatzteile halten wir ständig in unserem Lager für Sie bereit.







