Cmi 96-125 13HH761F620 (2014) Fahrantrieb Ersatzteile
KEILRIEMEN:V TYP:5L x 34.91"LG
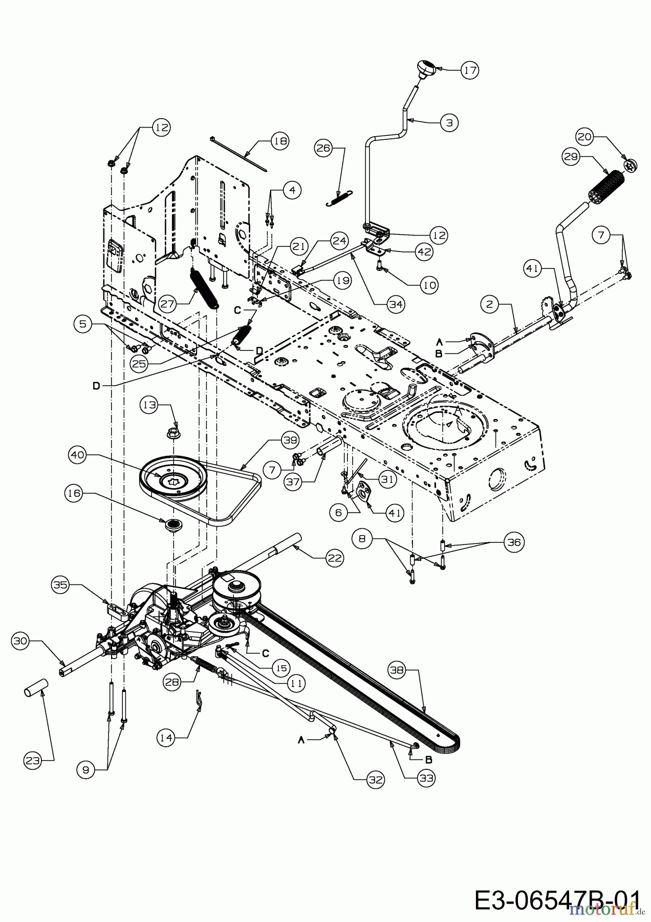
Artikel Nummer:
754-04285
BildNr:
39
DINNORM:
FINISH:SIEHE ZG.
Bemerkung:
V TYP 5LX34.91"
Modell BJ:
Smart RF 125 / 2014 Mastercut 96 / 2013 Smart RF 125 / 2013 Smart RF 125 M / 2013 96-125 / 2013 Smart RF 125 / 2014 Smart RF 125 M / 2014 96-125 / 2014 96-125 / 2014 Mastercut 96 / 2014 Mastercut 96 / 2014 DL 96 T / 2014 Smart RF 125 / 2014 Smart RF 125
38.48 €
für EU incl. MwSt., zzgl. Versand
Der Artikel wurde in den Einkaufswagen gelegt!
sofort Lieferbar
Hier finden Sie die Ersatzteilzeichnung für Cmi Rasentraktoren 96-125 13HH761F620 (2014) Fahrantrieb. Wählen Sie das benötigte Ersatzteil aus der Ersatzteilliste Ihres Cmi Gerätes aus und bestellen Sie einfach online. Viele Cmi Ersatzteile halten wir ständig in unserem Lager für Sie bereit.
Häufig benötigte Cmi 96-125 13HH761F620 (2014) Fahrantrieb Ersatzteile


Qualitätsmanagement
Informieren Sie uns, wenn Sie einen Fehler gefunden haben.























