Cub Cadet Volunteer 37AK466D603R (2014) Vorderachse Ersatzteile
BREMSSCHEIBE 8.00 X 0.188
Achtung: Dieser Artikel ist 2x im Gerät verbaut, der Preis gilt pro Stück!
Artikel Nummer:
707-04436A
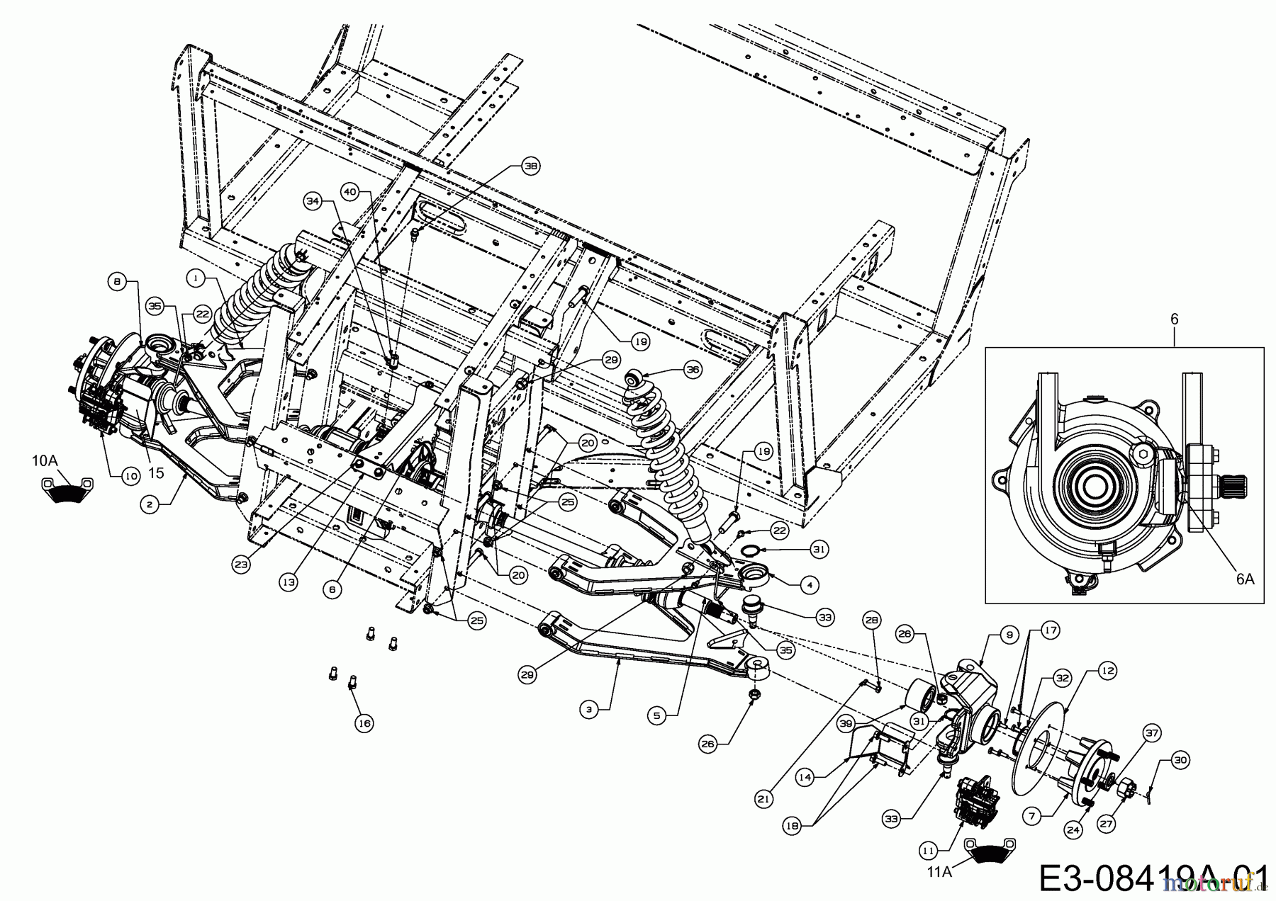
BildNr:
12
DINNORM:
707-04436A *
Bemerkung:
8.00X0.188
Modell BJ:
MF 20 MD / 2012 MF 20 MD / 2013 Volunteer / 2013 Volunteer / 2014 Volunteer / 2014 Volunteer / 2015 Volunteer / 2015 MF 20 MD / 2014 MF 20 MD / 2014 MF 20 MD / 2015 MF 20 MD / 2015
79.66 €
für EU incl. MwSt., zzgl. Versand
Der Artikel wurde in den Einkaufswagen gelegt!


Hier finden Sie die Ersatzteilzeichnung für Cub Cadet Utility Vehicle Volunteer 37AK466D603R (2014) Vorderachse. Wählen Sie das benötigte Ersatzteil aus der Ersatzteilliste Ihres Cub Cadet Gerätes aus und bestellen Sie einfach online. Viele Cub Cadet Ersatzteile halten wir ständig in unserem Lager für Sie bereit.
Häufig benötigte Cub Cadet Volunteer 37AK466D603R (2014) Vorderachse Ersatzteile

Artikelnummer: 707-04436A
Suche nach: 707-04436A
Hersteller: MTD
Cub Cadet Ersatzteil Vorderachse
Suche nach: 707-04436A
Hersteller: MTD
Cub Cadet Ersatzteil Vorderachse
79.66 €
für EU incl. MwSt., zzgl. Versand