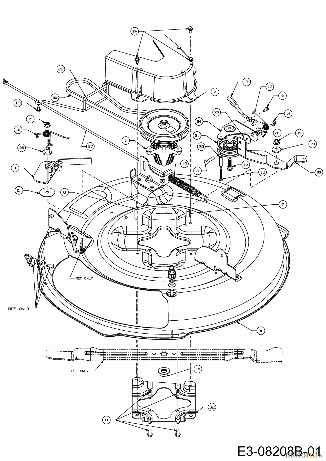
MTD 76 SD 13B226JD600 (2014) Mähwerk D (30"/76cm) Ersatzteile
SPANNHEBEL
Artikel Nummer:
647-05028
BildNr:
3
Modell BJ:
76 SD / 2014 BG 11576 SM / 2014
DINNORM:
647-05028
34.74 €
für EU incl. MwSt., zzgl. Versand
Der Artikel wurde in den Einkaufswagen gelegt!
sofort Lieferbar
Hier finden Sie die Ersatzteilzeichnung für MTD Rasentraktoren 76 SD 13B226JD600 (2014) Mähwerk D (30"/76cm). Wählen Sie das benötigte Ersatzteil aus der Ersatzteilliste Ihres MTD Gerätes aus und bestellen Sie einfach online. Viele MTD Ersatzteile halten wir ständig in unserem Lager für Sie bereit.
Häufig benötigte MTD 76 SD 13B226JD600 (2014) Mähwerk D (30"/76cm) Ersatzteile

Artikelnummer: 647-05028
Suche nach: 647-05028
Hersteller: MTD
MTD Ersatzteil Mähwerk D (30"/76cm)
Suche nach: 647-05028
Hersteller: MTD
MTD Ersatzteil Mähwerk D (30"/76cm)
34.74 €
für EU incl. MwSt., zzgl. Versand


Qualitätsmanagement
Informieren Sie uns, wenn Sie einen Fehler gefunden haben.





























