MTD 76 SD 13B226JD600 (2014) Elektroteile Ersatzteile
KONTAKTSCHALTER:NO/NC:4 POLIG
Achtung: Dieser Artikel ist 3x im Gerät verbaut, der Preis gilt pro Stück!
Artikel Nummer:
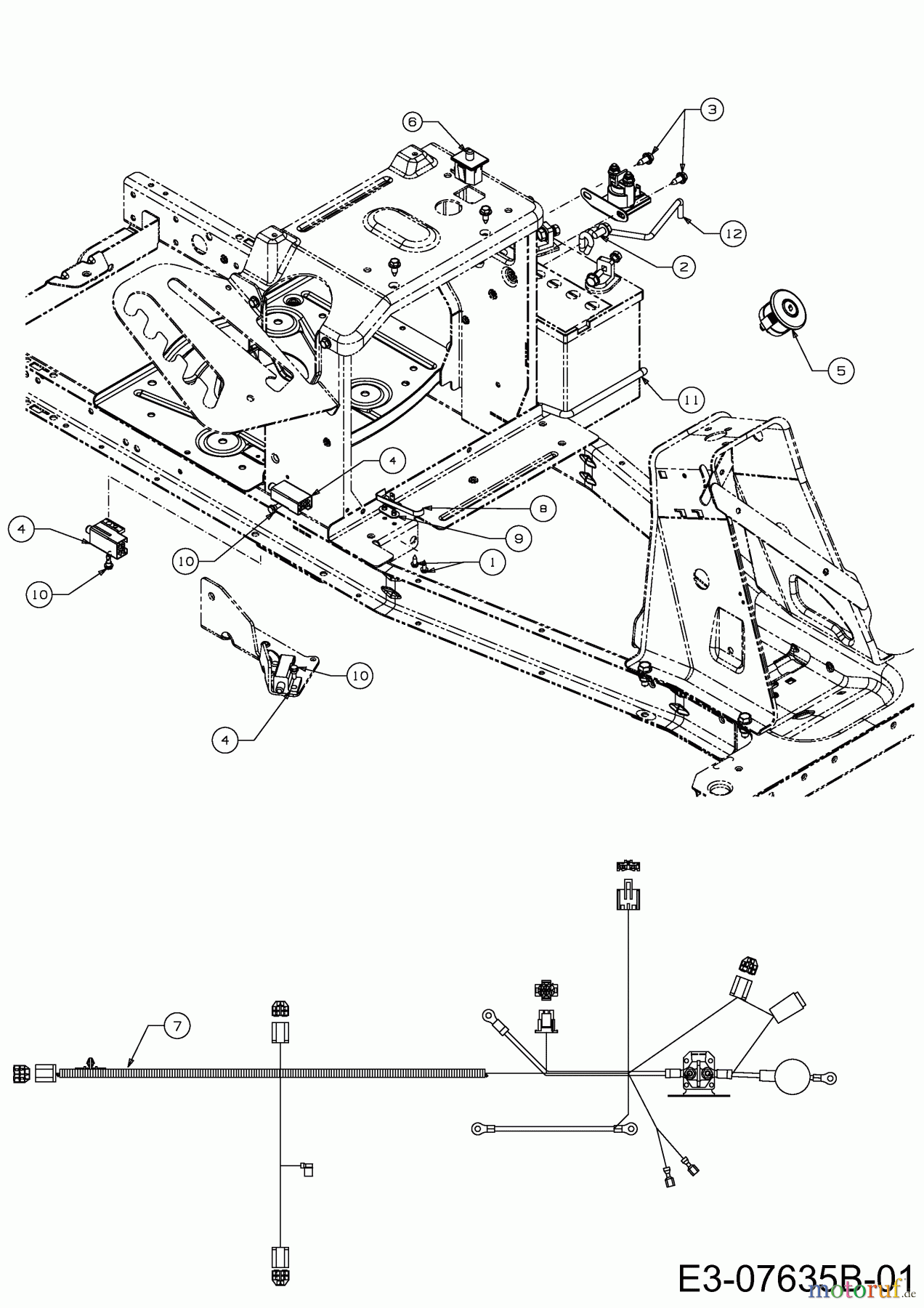
725-04363
BildNr:
4
Modell BJ:
BG 11576 SM-13 / 2013 Minirider 76 SD / 2013 420/30 / 2013 76 SD / 2014 CC 114 TD / 2014 BG 11576 SM / 2014
Bemerkung:
4 POLIG
DINNORM:
FINISH:SIEHE ZG.
18.93 €
für EU incl. MwSt., zzgl. Versand
Der Artikel wurde in den Einkaufswagen gelegt!
sofort Lieferbar
Hier finden Sie die Ersatzteilzeichnung für MTD Rasentraktoren 76 SD 13B226JD600 (2014) Elektroteile. Wählen Sie das benötigte Ersatzteil aus der Ersatzteilliste Ihres MTD Gerätes aus und bestellen Sie einfach online. Viele MTD Ersatzteile halten wir ständig in unserem Lager für Sie bereit.
Häufig benötigte MTD 76 SD 13B226JD600 (2014) Elektroteile Ersatzteile


Qualitätsmanagement
Informieren Sie uns, wenn Sie einen Fehler gefunden haben.










