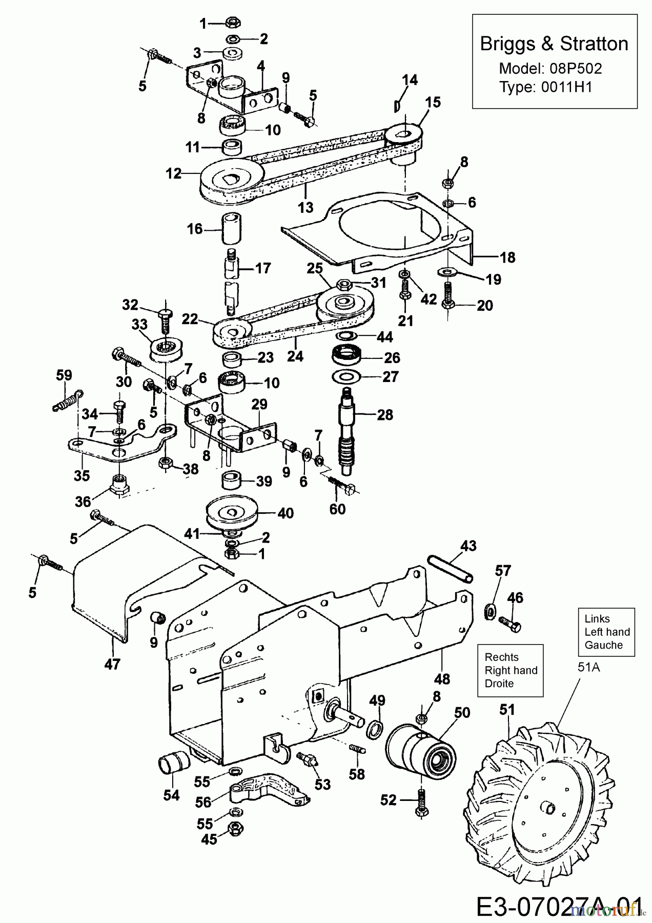
MTD BM 87-35 25A-FM5B678 (2014) Fahrantrieb, Mähantrieb Ersatzteile
KEILRIEMEN Z29 1/2
Artikel Nummer:
092.48.808
BildNr:
24
DINNORM:
32.1005.190
Bemerkung:
32.1005.190
Modell BJ:
BM 87-35 / 2014
30.47 €
für EU incl. MwSt., zzgl. Versand
Der Artikel wurde in den Einkaufswagen gelegt!
sofort Lieferbar
Hier finden Sie die Ersatzteilzeichnung für MTD Balkenmäher BM 87-35 25A-FM5B678 (2014) Fahrantrieb, Mähantrieb. Wählen Sie das benötigte Ersatzteil aus der Ersatzteilliste Ihres MTD Gerätes aus und bestellen Sie einfach online. Viele MTD Ersatzteile halten wir ständig in unserem Lager für Sie bereit.
Häufig benötigte MTD BM 87-35 25A-FM5B678 (2014) Fahrantrieb, Mähantrieb Ersatzteile


Qualitätsmanagement
Informieren Sie uns, wenn Sie einen Fehler gefunden haben.





