Wolf-Garten Ambition V 346 E 16AFEHOA650 (2014) Ersatzteile
FEDERZINKE LINKS
Achtung: Dieser Artikel ist 12x im Gerät verbaut, der Preis gilt pro Stück!
Artikel Nummer:
732-05180
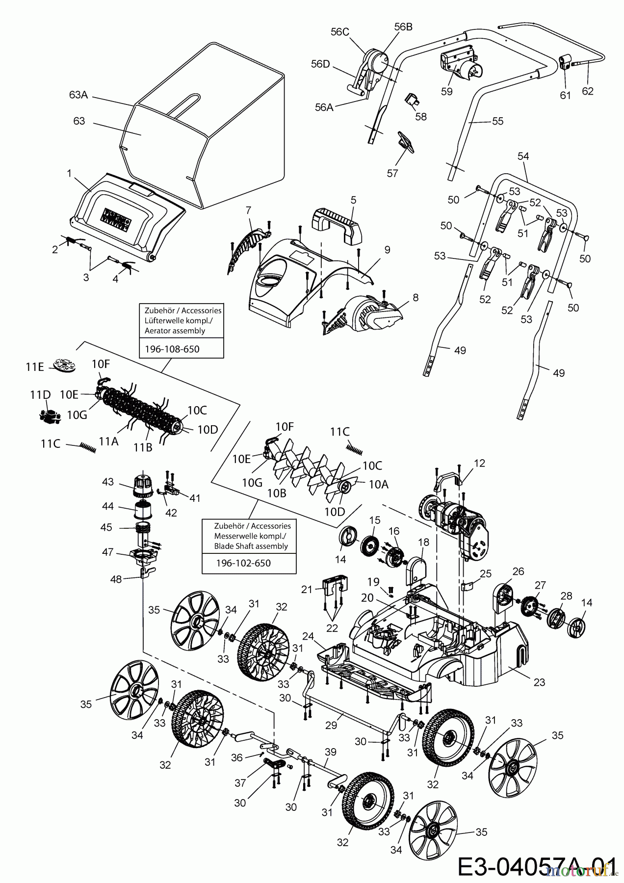
BildNr:
11A
Modell BJ:
VA 346 E / 2015 Ambition V 346 E / 2014
Bemerkung:
1447502
DINNORM:
732-05170
3.95 €
für EU incl. MwSt., zzgl. Versand
Der Artikel wurde in den Einkaufswagen gelegt!
sofort Lieferbar
Hier finden Sie die Ersatzteilzeichnung für Wolf-Garten Elektrovertikutierer Ambition V 346 E 16AFEHOA650 (2014) Grundgerät. Wählen Sie das benötigte Ersatzteil aus der Ersatzteilliste Ihres Wolf-Garten Gerätes aus und bestellen Sie einfach online. Viele Wolf-Garten Ersatzteile halten wir ständig in unserem Lager für Sie bereit.













