Zurück zu
>
Roth / TORO
>
Handgeräte
>
Schneefräsen
>
zweistufig
>
1232 PowerShift
>
630/38591
>
69000001
>
Vergaser Nr. 632536
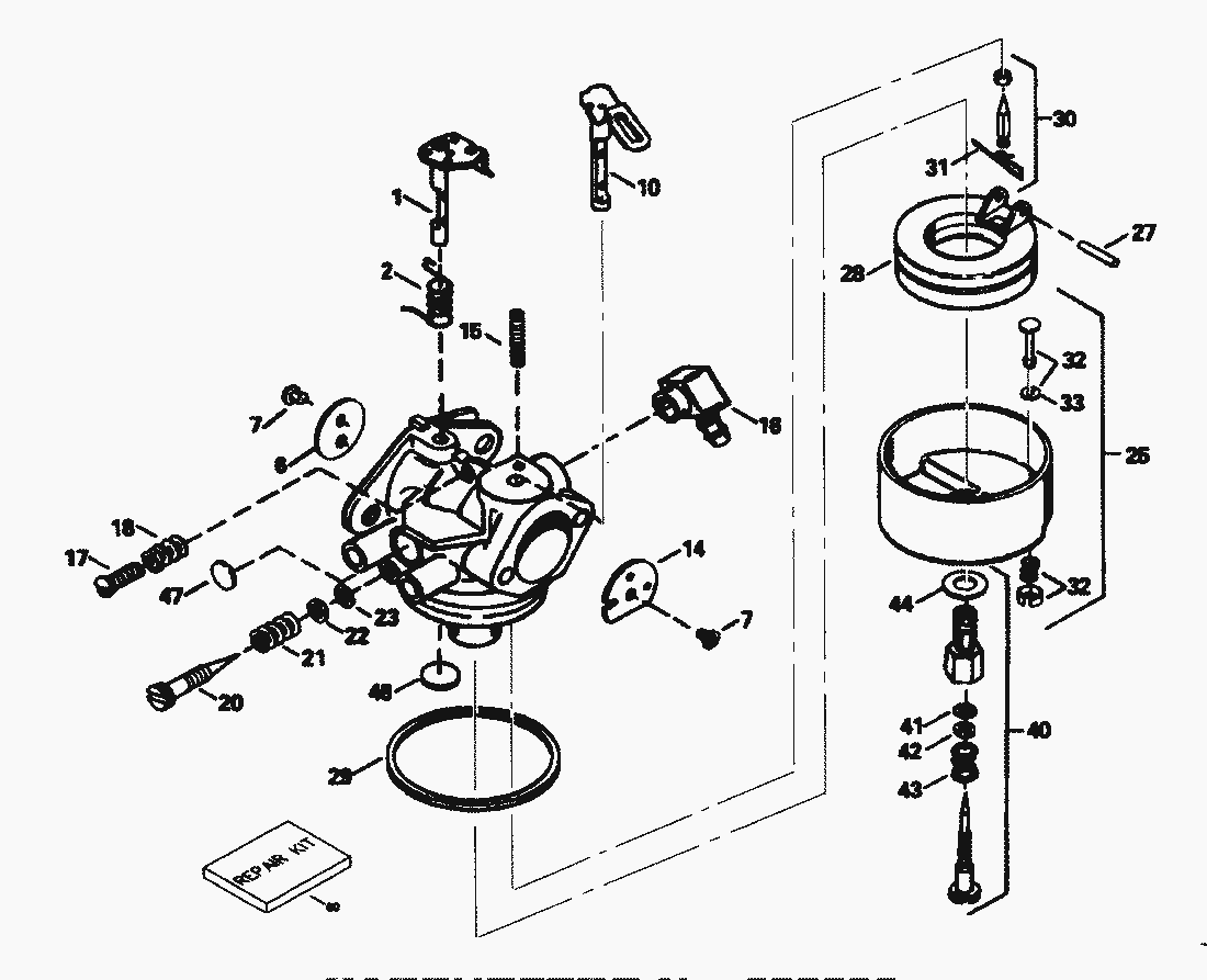
Ersatzteillisten für Toro Roth / TORO Vergaser Nr. 632536
Pos.
Bezeichnung
Ersatzteilnummer
1
Throttle-Shaft & Lever Asm
632512
2
Schenkelfeder
631970
6
Shutter-Throttle
632517
7
Schraube
650506
10
Choke Shaft & Lever Asm
632513
14
Shutter-Choke
632514
15
Druckfeder
630735
16
Winkelstueck
631775
17
Schraube
650417
18
Feder
630766
20
Einstellschraube s
632281
21
Feder
630766
22
Scheibe
630739
23
Dichtring
630740
25
Schwimmertopf
632594
27
Haltestift
631024
28
Schwimmer
632019
29
Dichtring
631028
30
Schwimmerventil
631021
31
Klemmfeder
631022
32
Drain Plunger Assembly (Incl. Ref.
27136A
33
Dichtung
27554
40
Schraube
632239
41
Dichtring
630740
42
Scheibe
630739
43
Spring, Adjustment Screw
630738
44
Dichtung
27110
47
Plug, Welch
630748
48
Stopfen
631027
60
Rep.-Satz
632347
Vergaser
632536
Gebrauchsanweisungen
Toro
Roth / TORO
Aufsitzmäher
Handgeräte
Kehrmaschinen
Schneefräsen
Zubehör
zweistufig
1332 PowerShift
1232 PowerShift
630/38591
890000001
99000001
79000001
69000001
Rücklaufstarter Nr. 590733
Vergaser Nr. 632536
Tecumseh Modell-Nr. OHSK120-222023E/24E
Holm
Beleuchtung Nr. 66-7941
Antrieb Gestänge
Trommel Getriebegehäuse Nr. 74-1562
Antrieb
Getriebe- Nr. 66-8030 (Fortsetzung)
Getriebe Nr. 66-8030
Gehäuse (Fortsetzung)
Gehäuse & Auswurf
Motor, Getriebe, Antrieb
1132 PowerShift
1132
1028 PowerShift
924 PowerShift
828 PowerShift
824 PowerShift
824 XL
824
724
624 PowerShift
622
521
3521
einstufig
Sauger/Bläser
Rasenmäher
Robin
Impressum
(C) by motoruf