Zurück zu
>
Roth / TORO
>
Handgeräte
>
Schneefräsen
>
zweistufig
>
824
>
612/38080
>
3900001
>
Vergaser Nr. 632334A
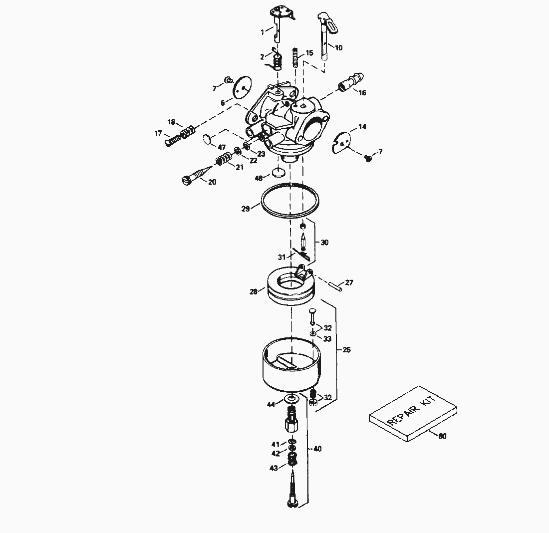
Ersatzteillisten für Toro Roth / TORO Vergaser Nr. 632334A
Pos.
Bezeichnung
Ersatzteilnummer
Drain Plunger Assembly (Incl. Ref.
27136A
Pos.
Bezeichnung
Ersatzteilnummer
1
Shaft/Lever-Throttle
631776A
2
Schenkelfeder
631970
6
Drosselklappe
631778
7
Schraube
650506
10
Chokewelle s
632112
14
Starterklappe
632174
15
Druckfeder
630735
16
Anschlussstueck
632164
17
Schraube
650417
18
Feder
630766
20
Einstellschraube s
632281
21
Feder
630766
22
Scheibe
630739
23
Dichtring
630740
25
Schwimmergehaeuse
631951
27
Haltestift
631024
28
Schwimmer
632019
29
Dichtring
631028
30
Schwimmerventil
631021
31
Klemmfeder
631022
33
Dichtung
27554
40
Schraube
632239
41
Dichtring
630740
42
Scheibe
630739
43
Spring, Adjustment Screw
630738
44
Dichtung
27110
47
Plug, Welch
630748
48
Stopfen
631027
60
Rep.-Satz
632347
Gebrauchsanweisungen
Toro
Roth / TORO
Aufsitzmäher
Handgeräte
Kehrmaschinen
Schneefräsen
Zubehör
zweistufig
1332 PowerShift
1232 PowerShift
1132 PowerShift
1132
1028 PowerShift
924 PowerShift
828 PowerShift
824 PowerShift
824 XL
824
612/38080
8000001
7000001
6000001
5000001
4000001
3900001
Rücklaufstarter Nr. 590672
Motor Tecumseh (Modell HM80-155438R) (Fortsetzung)
Motor Tecumseh (Modell HMSK80-155483R)
Vergaser Nr. 632334A
Elektrostart Nr. 37-4810
Holm (Fortsetzung)
Holm
Motor
Antrieb (Fortsetzung)
Antrieb
Trommel (Fortsetzung)
Trommel
2000001
724
624 PowerShift
622
521
3521
einstufig
Sauger/Bläser
Rasenmäher
Robin
Impressum
(C) by motoruf