Zurück zu
>
Roth / TORO
>
Handgeräte
>
Schneefräsen
>
einstufig
>
CCR 2000
>
618/38186
>
0000001
>
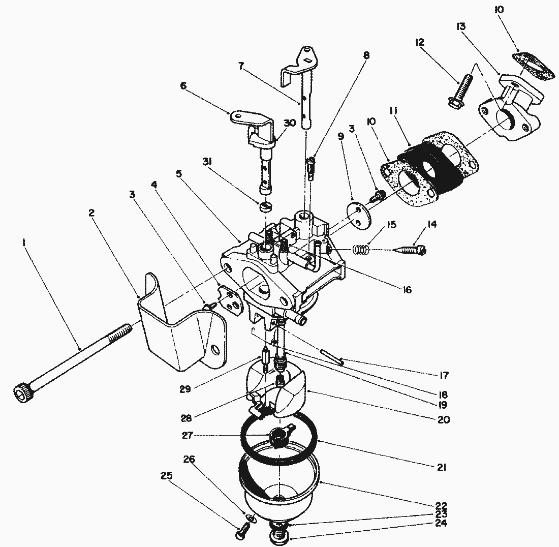
Vergaser (Motor Modell-Nr. 47PK9)
Ersatzteillisten für Toro Roth / TORO Vergaser (Motor Modell-Nr. 47PK9)
Pos.
Bezeichnung
Ersatzteilnummer
1
Screw
81-0450
2
Spitcup
81-2700
3
Screw
81-2710
4
Starterklappe
81-2720
5
6
Schokwelle
81-5510
7
Shaft-Throttle
81-2920
8
Duese
81-2930
9
Valve-Throttle
81-2940
10
Gasket-Carburetor
81-2570
11
Zwischenflansch
81-0460
12
Bolt
50-6350
13
Ansaugstutzen
81-0470
14
Duese
50-2360
15
Feder
81-2580
16
Feder
81-2590
17
Stift
81-2600
18
Feder
81-2610
19
Hauptduese
81-2740
20
Schwimmer
81-4920
21
SCHWIMMERTOPFDICHTUNG
81-2630
22
SCHWIMMERKAPPE
81-2640
23
Dichtung
81-2650
24
Schraube
81-2660
25
Schraube
81-2670
26
Dichtung
81-2680
27
Buechse
81-4930
28
Duese
81-1040
HAUPTDUESE
81-1940
29
Schwimmernadel
81-4700
30
Ring
81-5520
31
Buechse
81-5530
Carburetor Assembly Complete
81-4690
Gebrauchsanweisungen
Toro
Roth / TORO
Aufsitzmäher
Handgeräte
Kehrmaschinen
Schneefräsen
Zubehör
zweistufig
einstufig
Snow Commander
CCR 3650 GTS
CCR 3000
CCR 2450
CCR 2400
CCR 2000
618/38186
6900001
5900001
4900001
3900001
2000001
1000001
0000001
Starter (Motor Modell-Nr. 47PK9)
Auspuff (Motor Modell-Nr. 47PK9)
Regler (Motor Modell-Nr. 47PK9)
Vergaser (Motor Modell-Nr. 47PK9)
Schwungrad & Zündspule (Motor Nr. 47PK9)
Teilemotor (Motor Modell-Nr. 47PK9)
Holm
StarterMotor & Schalter Gehäuse
Betätigung, Paneele & Abdeckung
Motor & Hauptrahmen
Rotor
Grassauswurf
Gehäuse (Fortsetzung)
Gehäuse
618/38185 C
618/38181
618/38180 C
CR 1000
CR 20
CR 20 R
S 620
S 200
CCR Powerlite
Sauger/Bläser
Rasenmäher
Robin
Impressum
(C) by motoruf