Zurück zu
>
Roth / TORO
>
Handgeräte
>
Schneefräsen
>
einstufig
>
CR 20
>
609/38115 C
>
0000001
>
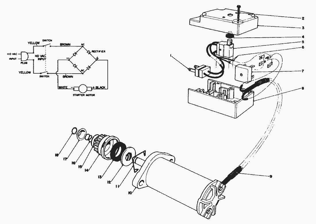
Startermotor & Schalter (Modell-Nr. 38115C)
Ersatzteillisten für Toro Roth / TORO Startermotor & Schalter (Modell-Nr. 38115C)
Pos.
Bezeichnung
Ersatzteilnummer
1
Stopfen
38-8370
2
Plastite Screw
61-4830
3
Cap-Switch Housing
61-4840
4
Boot-Switch
36-8350
5
Schalter
36-8340
6
Wire-Switch to Rectifier
36-8360
7
Gleichrichter
37-7600
8
Base-Switch Housing
61-4850
9
Cable Cover
33-5130
10
11
Clip-Retaining
5-6530
12
13
Gummiring
25-3400
14
15
Scheibe
33-5570
16
Druckfeder
33-3230
17
Kappe
33-3210
18
Wellensicherung
32151-49
Verweisblatt F. E-Starter
28-9140
Zahnrad Kpl.
36-5350
Cord-7 Ft.
28-9170
Gebrauchsanweisungen
Toro
Roth / TORO
Aufsitzmäher
Handgeräte
Kehrmaschinen
Schneefräsen
Zubehör
zweistufig
einstufig
Snow Commander
CCR 3650 GTS
CCR 3000
CCR 2450
CCR 2400
CCR 2000
CR 1000
CR 20
609/38115 C
8000001
7000001
0000001
Rücklaufstarter Nr. 590537
Motor Tecumseh (Modell-Nr. AH-600 Typ 1623-N)
Vergaser Nr. 632142A
Startermotor & Schalter (Modell-Nr. 38115C)
Motor (Modell-Nr. 38115C)
Motor (Modell-Nr. 38110C)
Rotor
unterer Rahmen
Abdeckung & Holm
CR 20 R
S 620
S 200
CCR Powerlite
Sauger/Bläser
Rasenmäher
Robin
Impressum
(C) by motoruf