Zurück zu
>
Roth / TORO
>
Aufsitzmäher
>
Mähwerke
>
132cm Seit
>
573/78452
>
220000001
>
Spindel & Messer
Ersatzteillisten für Toro Roth / TORO Spindel & Messer
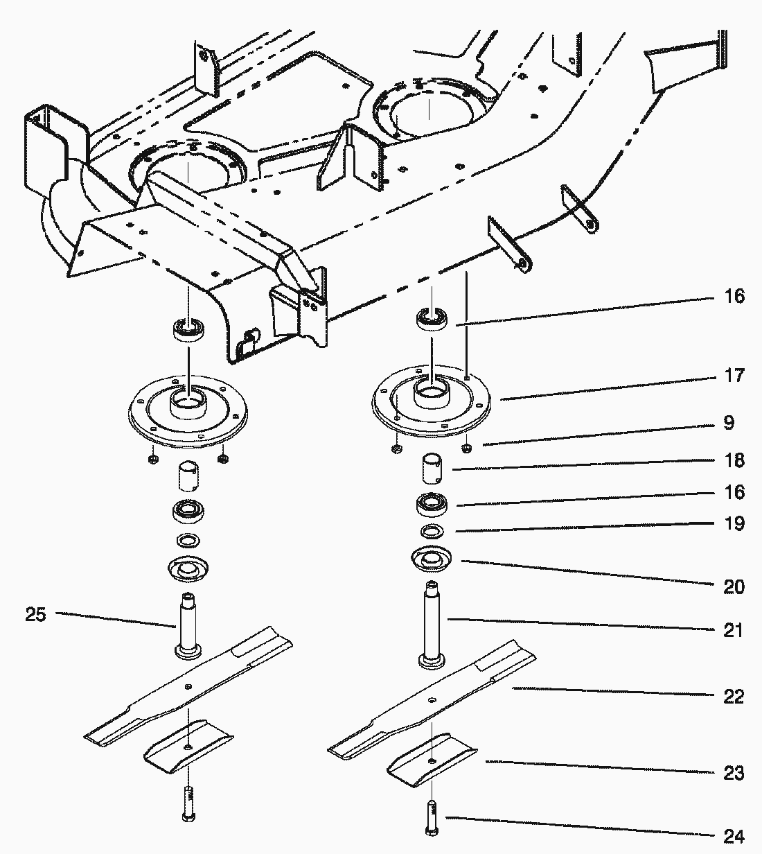
Pos.
Bezeichnung
Ersatzteilnummer
9
Mutter
32128-21
16
Bearing-Ball
113514
17
Messerwellengehaeuse
79-2480-03
18
Buechse
79-1890
19
Scheibe
120860
20
Abdeckscheibe
79-1920
21
Messerwelle
79-1910
22
Blade-Recycler (Only On: 78375)
92-7961
22
Blade-18 21 21 3_775025 3 55620 Blade-18
27-0990
23
Messernabe
92-9820
24
Messerschraube
44-2200
25
Messerwelle
79-1900
Gebrauchsanweisungen
Toro
Roth / TORO
Aufsitzmäher
Traktor
Rider
Mähwerke
91cm Heck
97cm Seit
107cm Seit
112cm Seit
122cm Seit
132cm Seit
555/78252
573/78452
8900001
9900001
200000001
210000001
220000001
Verstärkungsplatte
Verstärkungsplatte (Fortsetzung)
Riemenscheibe & Riemen
Spindel & Messer
Gehäuseaufhängung
Riemenscheibengehäuse
Leitblech
Schilder
152cm Seit
Zubehör
Handgeräte
Robin
Impressum
(C) by motoruf