Zurück zu
motoruf
Warenkorb

Ersatzteillisten für Toro Roth / TORO Schwungrad & Zündspule (Motor Modell 47PP3-5)




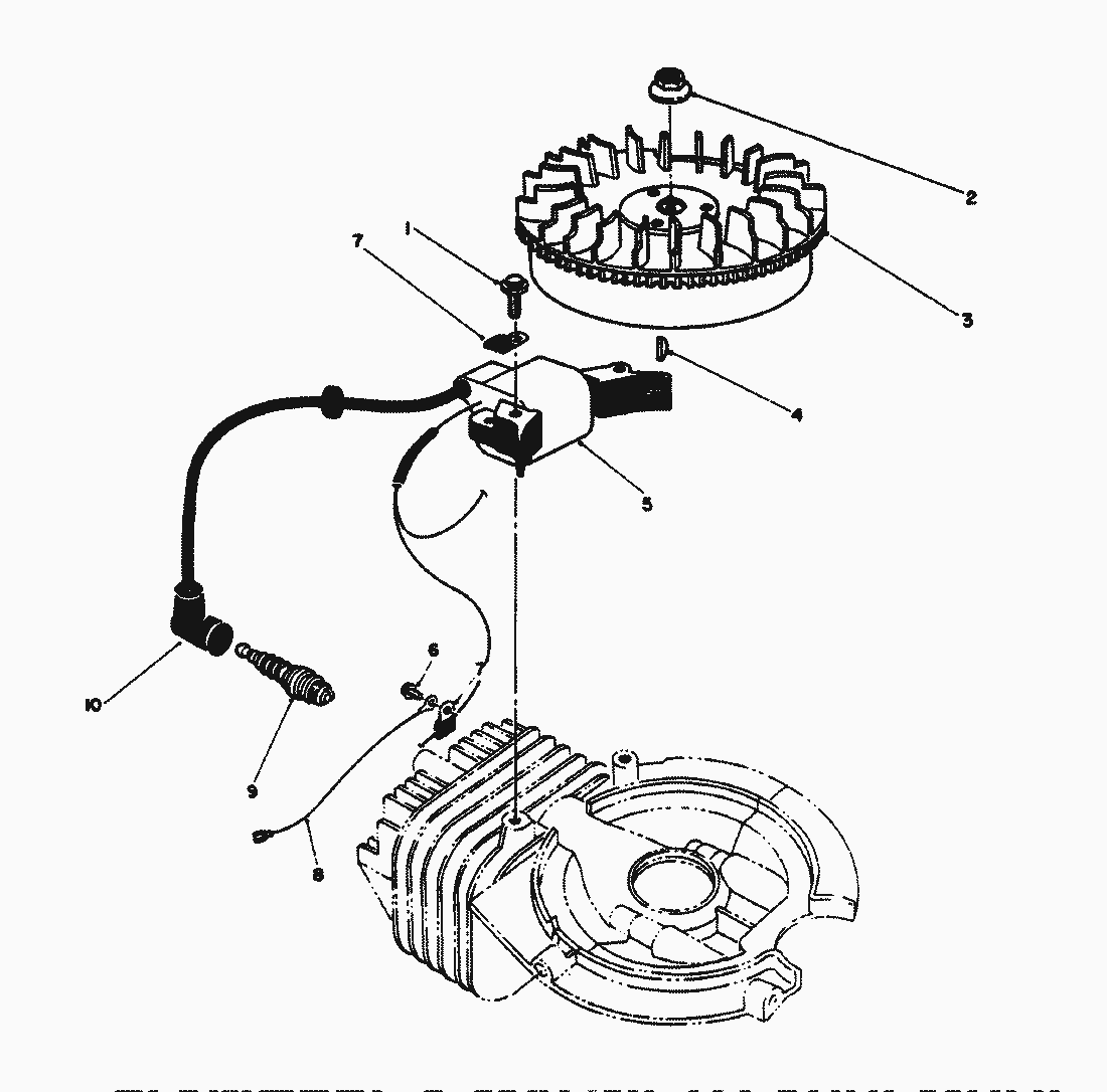
Ersatzteilliste


Pos.BezeichnungErsatzteilnummer
1Schraube81-5710
2MUTTER81-1330
3Schwungrad81-4620
4KEIL81-2370
5Coil-Magneto81-4630
6SCHRAUBE53-1340
7KLEMME81-1480
8Wire-Ground81-2860
9ZUENDKERZE81-0181
10ZUENDKERZENSTECKER81-1500
SCHWUNGRADABZIEHER TORO41-7650
Gebrauchsanweisungen
Toro
Impressum
(C) by motoruf