Zurück zu
>
Roth / TORO
>
Handgeräte
>
Schneefräsen
>
zweistufig
>
824
>
612/38080
>
2000001
>
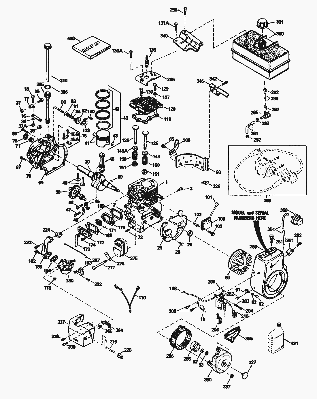
Motor Tecumseh (Modell-Nr. HM80-155438 P)
Ersatzteillisten für Toro Roth / TORO Motor Tecumseh (Modell-Nr. HM80-155438 P)
Pos.
Bezeichnung
Ersatzteilnummer
Fuel Tank Assy. (Incl. Ref.
34156A
Carburetor Assembly (Incl.Gasket
632334A
Piston, Pin & Ring Assy. (Incl. Ref.
34553
Cylinder Assy. (lncl. Ref.
35385
Valve, Exhaust (Std.) (Incl. Ref.
27878A
Piston & Pin Assy. (Incl. Ref.
34330A
Connecting Rod Assy. (Incl. Ref.
35373A
Valve, Exhaust (1/32 Oversize) (Incl. Ref. #47) 44 52 2_227012 1 38080 Valve, Exhaust (1/32 Oversize) (Incl. Ref.
27880A
Piston & Pin Assy. (Incl. Ref.
34331A
Piston & Pin Assy. (Incl. Ref.
34329A
Piston, Pin & Ring Assy. (Incl. Ref.
34554
Rod Assy., Governor (Incl. Ref.
30699C
Valve, Intake (1/32 Oversize) (Incl. Ref. #47) 43 50 2_227012 1 38080 Valve, Intake (1/32 Oversize) (Incl. Ref.
34036
Gear Assy., Governor (Incl. Ref.
35378
Pos.
Bezeichnung
Ersatzteilnummer
2
Haltedorn
27652
3
Schraube
650820
15
Klemme s
30700
15
Screw, Fil. Hd.
650494
16
Hebel
33454
17
Clamp, Governor Lever
29916
18
Screw, Hex Washer Hd.
650548
19
Feder
34663
20
Simmerring
35319
25
Baffle, Blower Housing
35326
26
Schraube
650561
30
Kurbelwelle
35372
35
Schraube
29826
36
Lockwasher, E.T.
29918
37
Mutter
29216
37
Locknut, Hex
30322
38
Ring, Retaining
29642
40
Kolben Kompl+Ringe
34552
42
Ring Set, Piston (Std.)
34332
42
Ring Set, Piston (.010 Oversize)
34333
42
Ring Set, Piston (.020 Oversize)
34334
43
Kolbenbolzensicher.
27888
46
Bolt-Connecting Rod
650908
47
Screw, Connecting Rod
650882
48
Ventilstoessel
34034
49
Oelschleuder
35374
50
Nockenwelle
35375
60
Extension, Blower Housing
33273A
61
Bracket, Grommet Mounting
34126
62
Schraube
650760
63
Grommet, Plastic
28545
65
Schraube
650128
69
Dichtung
35262
70
Oelwanne
35376
71
Bushing, Crankshaft
35377
72
Oelablass-Schraube
27642
75
Simmerring
35319
80
Reglerachse
31845
81
Washer, Flat
30590A
83
Spool, Governor
30588A
84
Sicherungsring
29193
86
Screw, Hex Washer Hd.
650833
87
Screw, Hex Washer Hd.
650832
89
Keil
32589
90
Schwungrad
611091
92
Washer, Lock
650880
93
Nut, Flywheel
650881
100
Zuendspule s
35135
101
Cover, Spark Plug
610118
102
Stehbolzen
650872
103
Schraube
650814
110
Wire, Ground
35253
119
Gasket-Cylinder Head
34041A
120
Head, Cylinder
34030
126
Valve, Intake (Std.) (Incl. Ref.
34035
127
Washer, Flat
650691
129
Screw, Special Hex Hd. Tapped
650727
130
Screw, Hex Flange Hd.
6021A
130
Schraube
650802
131
Schraube
650713
135
Spark Plug, Resistor (Champion RJ-19LM)
35395
139
Bracket, Governor Gear
33369
140
Screw, Hex Washer Hd. Thread Forming
650836
149
Federteller
27882
149
Dichtung
35862
150
Spring, Valve
27881
151
Ventilteller
32581
169
Gasket-Breather
27896A
170
Ventildeckeleinsatz
28423
171
Filter
28424
172
Entluefterdeckel
28425
173
Entlueftungsschlauch
35350
174
Schraube
650128
178
Nut & Lockwasher
29752
182
Screw, Fil. Hd.
30088A
183
Halter
34587
184
Dichtung
33263
185
Pipe, Intake
33877
186
Gestaenge
34667
200
Reglerplatte
34677
203
Druckfeder
31342
204
Screw, Fil. Hd.
650549
206
Kurzschlusschalter
610973
207
Gestaenge
33878
209
Screw, Hex Washer Hd. Thread Cutting
650821
215
Knopf
35440
219
Rod, Choke
34586
220
Knopf
35438
222
Schraube
28820
223
Schraube
650378
224
Gasket-Intake Pipe
27915A
260
Housing, Blower
34822A
261
Screw, Hex Hd. Spinlock Thread Forming
650788
262
Screw, Phil. Hex Hd.
29747B
265
Cover, Cylinder Head
33272A
275
Auspuff
35056
276
Platte
31588
277
Schraube
792093
281
Cover, Starter Bubble
33013
282
Schraube
650760
285
Mitnehmerglocke
35287
286
Screen, Starter
35446
287
Nut & Lockwasher
29752
290
Leitung
29774
291
Benzinleitung
30705
292
Klemme F.Benzinl.
26460
295
Anschluss
35857
298
Schraube s
650665
301
Tankverschluss
35355
305
Oelrohr
35554
306
O.Ring
35499
308
Clip, Fill Tube
35540
310
Oelmessstab
35555
325
Klemme
29443
327
Deckel s
35392
336
Schraube
650765
337
Cover-Carburetor
35057A
338
Schraube
28942
340
Bracket, Fuel Tank Mounting
34155
342
Schraube
650561
345
Tankhalter s
34154
350
Primer Assy.
570682
351
Line-Primer
32180C
355
Startergriff
590574
364
Bracket, Carburetor Cover Mounting
33377
365
Screw, Hex Washer Hd., Taptite
650767
390
Ruecklaufstarter
590630
395
Motor Kit-Electric Starter (120 Volt) (Order as an accessory)
33329C
400
Gasket Set
33279G
421
Oel Fuer Schneefr.Sae5w30
730226
Gebrauchsanweisungen
Toro
Roth / TORO
Aufsitzmäher
Handgeräte
Kehrmaschinen
Schneefräsen
Zubehör
zweistufig
1332 PowerShift
1232 PowerShift
1132 PowerShift
1132
1028 PowerShift
924 PowerShift
828 PowerShift
824 PowerShift
824 XL
824
612/38080
8000001
7000001
6000001
5000001
4000001
3900001
2000001
Rücklaufstarter Nr. 590630
Motor Tecumseh (Modell-Nr. HM80-155438 P)
Vergaser Nr. 632334A
Elektrostart Nr. 37-4810
Beleuchtungssatz Nr. 54-9822 (wahlw.)
Wetterschutz Modell 42-3380 (wahlw.)
Holm (Fortsetzung)
Holm
Motor
Antrieb (Fortsetzung)
Antrieb
Trommel (Fortsetzung)
Trommel
724
624 PowerShift
622
521
3521
einstufig
Sauger/Bläser
Rasenmäher
Robin
Impressum
(C) by motoruf