Zurück zu
>
Roth / TORO
>
Aufsitzmäher
>
Traktor
>
246 HE
>
309/72101
>
3900001
>
Motor (TORO Power Plus)
Ersatzteillisten für Toro Roth / TORO Motor (TORO Power Plus)
Ersatzteilliste 1
Ersatzteilliste 2
Ersatzteilliste 3
Ersatzteilliste 4
Ersatzteilliste 5
Pos.
Bezeichnung
Ersatzteilnummer
Cover-Air Guide
92-0555
Head-
92-0503
Cover-Valve Note: 78-5260 Cover-Valve Used On
78-5250
Hose-Fuel 11 187 115 5960A020 1 72101 Hose-Fuel 11
92-0525
Cover-Air Guide
92-0554
Head-
92-0502
Hose-Fuel 23 116 5960A020 1 72101 Hose-Fuel 23
92-0559
Pos.
Bezeichnung
Ersatzteilnummer
1
Cylinder Assembly
78-3410
2
Bearing-Cylinder
92-0501
3
Seal-Oil
78-3430
6
Washer
78-3460
7
Gasket-Cylinder Head
92-0504
8
Breather Assembly
92-0505
9
Gasket-Breather
78-3670
10
Screw
92-0506
11
Tube-Breather
78-3510
12
Gasket-Crankcase Cover
78-4230
13
Screw
78-3530
15
Plug-Oil Drain
78-3540
16
Crankshaft Note: To Replace Crankshaft Triming Gear Key Order No. 92-0564 & 92-0565 Washer
78-3550
18
Cover-Crankcase
78-3570
20
Seal-Oil
78-3580
22
Screw
78-3590
24
Key-Flywheel
78-3610
25
Piston Ass y (Std.)
78-3620
Piston Ass y (.010 O.S.)
92-0507
Piston Ass y (.020 O.S.)
92-0508
Piston Ass y (.030 O.S.) Piston Ring Sets:
92-0509
26
Ring-Piston (Std.)
78-3630
Ring-Piston (.010 O.S.)
92-0510
Ring-Piston (.020 O.S.)
92-0511
Ring-Piston (.030 O.S.)
92-0512
27
Lock-Piston Pin
78-3640
28
Pin Ass y (Std.)
78-3650
29
Rod Assembly
78-3660
32
Gasket-Breather
78-3670
33
Valve-Exhaust
78-3680
34
Valve-Intake
78-3690
35
Spring-Valve
78-3700
40
Retainer-Valve Spring
78-3710
42
Retainer-Valve
78-3720
45
Tappet-Valve
78-3730
46
Gear-Cam
78-3740
84
Plug-Pipe
78-3830
87
Seal-Governor Shaft
78-3840
116
ORing (Oil Pump)
78-3910
116
O Ring (Crankcase Cover)
78-3920
166
Stud-Rocker Arm
78-4060
166
Stud-Oil Filter Adapter
78-4070
167
Washer
78-4080
171
Nut
78-4090
189
Washer-Lock
78-4120
192
Screw-Valve Adjust
78-4130
209
Spring-Governor
78-3900
209
Spring-Governor Idle
78-4160
227
Reglerhebel
92-0513
243
Gasket-Crankcase Cover
78-4230
265
Clamp-Casing
77-8280
277
Washer
78-4280
337
Plug-Spark
NN10820
351
Screw
78-4420
523
Dipstick
78-4560
524
Seal-Filler Tube
78-4670
552
Bushing-Shaft
78-4630
552
Bushing-Shaft
78-4640
562
Bolt
78-4650
572
Baffle Breather
78-4660
592
Gasket-Breather
78-3670
614
Pin-Cotter
78-4710
616
Fork-Governor
78-4740
634
Washer
78-4750
635
Elbow-Spark Plug
78-4790
718
Dowel-Crankcase
78-4810
741
Gear-Timing
92-0514
819
Screw
78-4910
823
Screw-Mounting
78-4920
842
O Ring
78-4930
864
Liner-Exhaust Port
78-4960
868
Seal-Valve Guide
78-4980
869
Seal-Intake Valve
78-4990
870
Seat-Exhaust Valve
78-5000
871
Guide-Valve
78-5010
978
Gasket-Oil Filter Adapter
78-5160
982
Screw
78-5170
1022
Gasket-Valve Cover
78-5240
1024
Oil Pump Assembly
78-5270
1025
Slider-Governor
78-5280
1026
Rod-Push Note 92-0522 Push Rod User on Exhaust Side Only
78-5290
1027
Motorenoelfilter
78-5300
1028
Adapter-Oil Filter
78-5310
1029
Arm-Rocker
78-5320
1030
Shaft-Rocker Arm
78-4460
1031
Support-Rocker Arm
78-4190
Pos.
Bezeichnung
Ersatzteilnummer
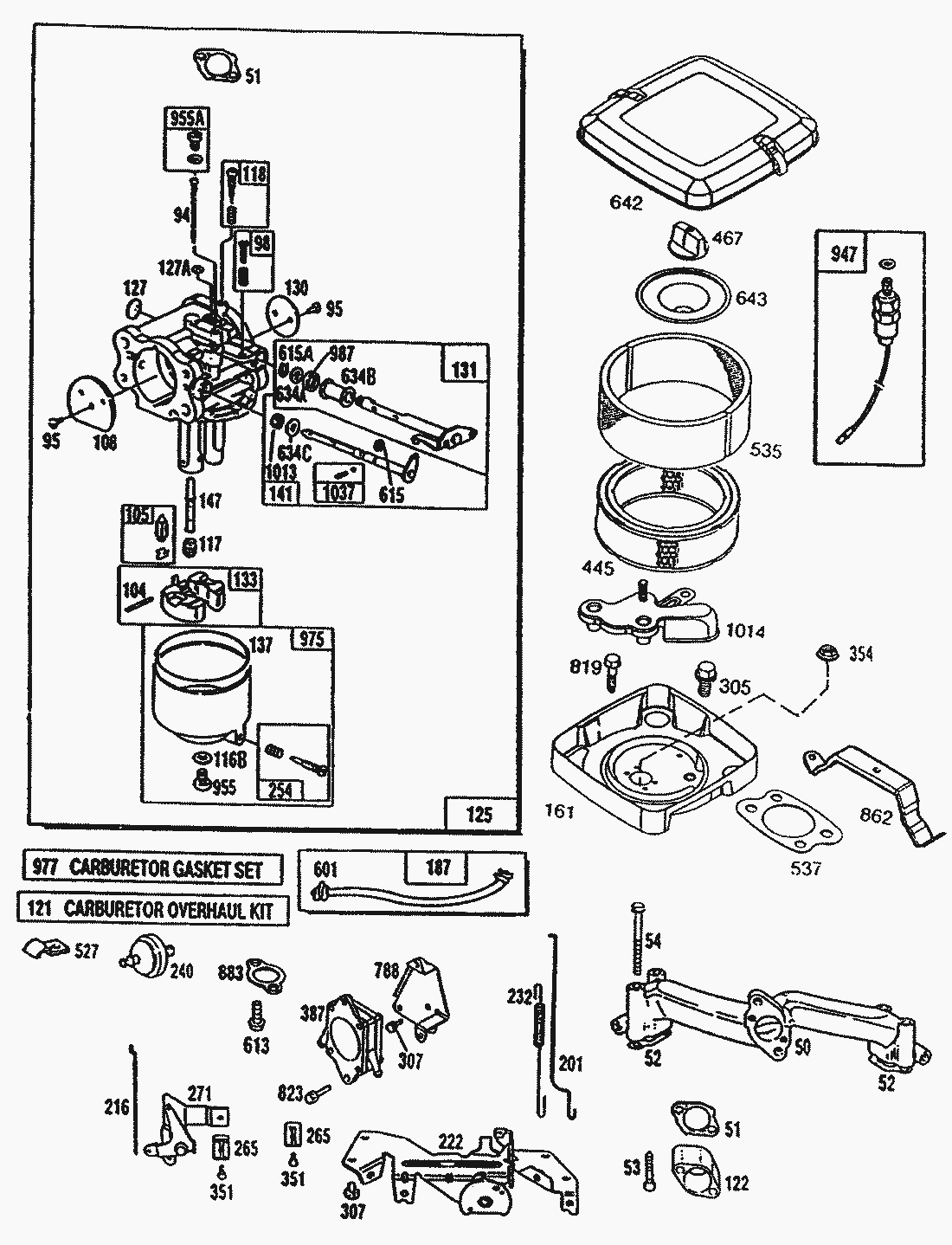
50
Manifold-Intake
78-3750
51
Gasket-Carburetor
78-3770
52
Gasket-Intake Manifold
78-3780
53
Screw
78-3790
94
Duese
92-0515
95
Screw
78-3860
98
Screw-Throttle
92-0516
104
Pin-Float Hinge
92-0517
105
Valve Fuel Inlet
92-0518
117
Duese
92-0562
118
Valve Assembly Carburetor
78-3950
121
Kit-Carburetor Overhaul
92-0519
122
Spacer-Carburetor
78-3970
125
Carburetor Assembly
92-0520
127
Wrench-Plug
78-3990
127
Wrench-Plug
78-4000
130
Valve-Throttle
92-0521
131
Shaft
78-4020
137
Gasket-Float Bowl
42-0560
133
Float Assembly
78-4030
141
Shaft-Choke
78-4040
147
Duesenstock
92-0523
161
Base-Air Cleaner
92-0524
201
Link-Governor
78-4140
216
Link-Choke
78-4170
222
Bracket-Governor
78-4180
232
Spring-Governor Link
78-4210
240
BENZINVORFILTER
78-4220
254
Drain-Carburetor Bowl
78-4250
265
Clamp-Casing
78-8280
271
Bracket-Choke Control
78-4260
305
Screw
78-4300
307
Screw
78-4310
354
Nut
92-0526
387
Benzinpumpe
78-4490
445
Luftfilterpatrone
92-0527
467
Knob-Air Cleaner
92-0528
527
Clamp-Fuel Pipe
92-0529
535
Vorfilter
92-0530
537
Gasket-Air Cleaner
92-0531
601
Clamp-Hose
92-0532
613
Screw
78-4700
615
Retainer-Choke Shaft
78-4720
615
Retainer-Throttle Shaft
78-4730
634
Collar-Throttle
78-4760
634
Collar-Throttle
78-4770
634
Collar-Choke
78-4780
642
Cover Assembly Air Cleaner
92-0533
643
Plate-Air Filter
92-0534
788
Bracket-Fuel Pump
92-0535
862
Bracket-Air Cleaner
92-0536
883
Gasket-Exhaust Manifold
92-0537
947
Solenoid
92-0538
955
Screw
78-5070
955
Plug And Seal Carburetor
78-5080
975
Bowl Assembly
78-5140
977
Set Carburetor Gasket
78-3940
987
Seal-Throttle Shaft
78-5180
1013
Seal-Choke Shaft
78-5220
1014
Deflector-Air Cleaner
92-0539
1037
Ball-Choke Locator
78-5150
Pos.
Bezeichnung
Ersatzteilnummer
304
Housing-Blower
92-0553
423
Screw
78-4500
573
Seal-Filler Tube
78-4670
657
Screw-Incl. w/Engine
78-4800
727
Shield-Starter
78-4850
866
Valley Cover-Air Guide
92-0556
879
Cover-Carburetor
92-0557
1004
Tube-Air Inlet
92-0558
Pos.
Bezeichnung
Ersatzteilnummer
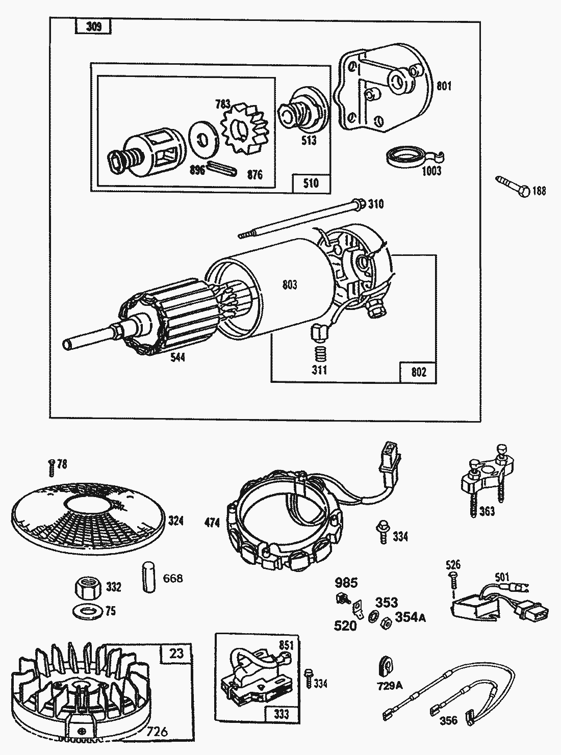
23
Flywheel-Magneto
78-3600
75
Washer
78-3810
78
Screw
78-3820
188
Screw
78-4110
309
Motor-Starting
78-4340
310
Bolt
78-4350
311
Brush Assembly
78-4360
324
Screen-Rotating
78-4370
332
Nut
78-4380
333
Armature-Magneto
92-0544
334
Screw
78-4400
353
Washer-Lock
92-0545
354
Nut
92-0546
356
Wire Assembly
92-0547
363
Puller-Flywheel
78-4470
474
Stator-Alternator
78-4510
501
Regler
78-4520
510
Drive Assembly
78-4530
513
Clutch Assembly
78-4540
520
Terminal-Spade
92-0548
526
Screw
78-4590
544
Armature Assembly
78-4620
668
Spacer
78-4830
726
Gear-Flywheel Ring
92-0549
729
Grommet
92-0550
783
Gear
78-4860
801
Cap Assembly Drive End
92-0551
802
Cap Assembly Commutator
78-4890
803
Housing Assembly
78-4900
851
Stecker
77-8430
876
Gear Kit
78-5020
896
Pin-Roll
78-5050
985
Insulator
92-0552
1003
Brush Spring Set
78-5200
Pos.
Bezeichnung
Ersatzteilnummer
116
358
Set-Gasket
92-0540
722
Seal-Breather Screw
92-0541
883
Gasket Exhaust Manifold
78-5040
1033
Kit-Valve Overhaul
92-0542
1036
Set-Breather Gasket
92-0543
Gebrauchsanweisungen
Toro
Roth / TORO
Aufsitzmäher
Traktor
264-6
246 HE
309/72101
3900001
Elektro-Schaltplan
Getriebe (Eaton Modell 751-045)
Motor (TORO Power Plus)
Kotflügel & Sitz
Hydrauliktank
Hinterrad & Getriebe
Bremse & Hydraulik-Gestänge
Bremspedal
Spannrolle & Pedalwelle
Aushubgestänge
Armaturenbrett
Lenkwelle & Anzeigen
Lenkrad & Konsole
Kraftstofftank & Lenkung Halter
Kupplung 92-1686
Batteriebefestigung
Motor & Kupplung
Vorderachse
Hauptrahmen
Haube
244-5
212-H
212-5
17-44 HXLE
16-44 HXL
16-38 HXL
16-38 XLE
15-44 HXL
15-38 HXL
14-38 HXL
14-38 XL
13-38 HXL
13-38 XL
13-32 XLE
12-38 HXL
12-38 XL
12-32 XL
264 H
265 H
267 H
268 H
270 H
520 xi
520 Lxi
523 Dxi
Rider
Mähwerke
Zubehör
Handgeräte
Robin
Impressum
(C) by motoruf