Zurück zu
>
Roth / TORO
>
Handgeräte
>
Schneefräsen
>
zweistufig
>
1232 PowerShift
>
630/38591
>
79000001
>
Motor, Getriebe, Antrieb
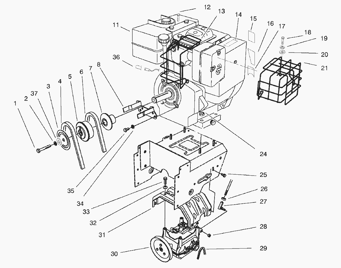
Ersatzteillisten für Toro Roth / TORO Motor, Getriebe, Antrieb
Pos.
Bezeichnung
Ersatzteilnummer
1
Schraube
3212-8
2
Federring
3253-6
3
Riemenscheiben-Haelfte
62-0940
4
Keilriemen
63-2967
5
Riemenscheibe
62-0930
6
Keilriemen
63-2955
7
Nabe
62-0920
8
Guide-Belt
68-7510
11
12
Screw / Washer, Model 38591
42-657
13
Guard-Muffler, Model 38591
127-21
14
Decal-Hot Surface (Model No. 38510 Only)
66-6840
Klebeschild
93-1265
15
Decal-Primer
94-2572
16
Decal-Throttle
63-2450
17
Klebeschild
63-2410
Klebeschild
63-2400
18
Screw-Self Tapping
42-671
19
Washer-Lock
36-180
20
Washer-Flat
32-251-1
21
Guard-Muffler, Model 38591
127-24
24
Mutter
32128-20
25
Schraube
3234-7
26
Mutter
3220-3
27
Ball Joint
78-2920
28
Stopmutter
3296-6
29
Kette
63-2930
30
Getriebe F.Schneefraese
66-8030
31
Frame-Transmission
63-2990
32
Washer-Belleville
3290-461
33
Schraube
11-0590
34
Federring
3253-4
35
Schraube
3210-1
36
Kappe
94-2782
37
Scheibe
3256-41
Schraube
2210-250
Gebrauchsanweisungen
Toro
Roth / TORO
Aufsitzmäher
Handgeräte
Kehrmaschinen
Schneefräsen
Zubehör
zweistufig
1332 PowerShift
1232 PowerShift
630/38591
890000001
99000001
79000001
Starter Nr. 590733
Motor OHSK 120-222023F und 120-222024F (Fortsetzung)
Motor OHSK 120-222023F und OHSK 120-222024F (Fortsetzung)
Motor OHSK 120-222023F und 120-222024F
Vergaser Nr. 632536
Beleuchtung Nr. 66-7941
Holm (Fortsetzung)
Holm
Antrieb Gestänge
Trommel Getriebegehäuse Nr. 74-1562
Antrieb (Fortsetzung)
Antrieb
Getriebe Nr. 66-9030 (Fortsetzung)
Getriebe Nr. 66-8030
Gehäuse
Motor, Getriebe, Antrieb
69000001
1132 PowerShift
1132
1028 PowerShift
924 PowerShift
828 PowerShift
824 PowerShift
824 XL
824
724
624 PowerShift
622
521
3521
einstufig
Sauger/Bläser
Rasenmäher
Robin
Impressum
(C) by motoruf