Zurück zu
motoruf
Warenkorb

Ersatzteillisten für Toro Roth / TORO Kurbelgehäuse




Ersatzteilliste


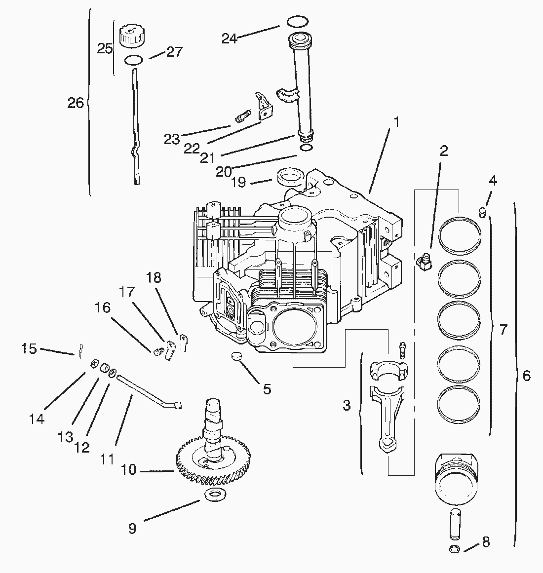
Pos.BezeichnungErsatzteilnummer
1Short Block (Only On: 72103, 72083)24 522 09
2Verbindungsstueck25 155 02
3Connecting Rod STD (Only On: 72103, 72083)24 067 01
3Connecting Rod .2524 067 02
4Dowel-Locating (Only On: 72042, 72063, 72062, 72043)12 380 03
5Stopfen52 139 09
6Piston ASM STD INC 4/7/8 (Only On: 72103, 72083)24 874 01
6Kolben M. Ringe 0,2024 874 02
6Kolben M. Ringe 0.5024 874 03
7Ring Set STD INC 4/8 (Only On:72103, 72083)24 108 01
7Ring Set .25 INC 4/8 (Only On: 72103, 72083)24 108 02
7Ring Set .50 INC 4/8 (Only On: 72103, 72083)24 108 03
8Sicherung24 018 01
9Shim-Camshaft A/R (Only On: 72042, 72063, 72062, 72043)12 422 07
9Shim-Camshaft A/R (Only On: 72042, 72063, 72062, 72043)12 422 08
9Shim-Camshaft A/R (Only On: 72042, 72063, 72062, 72043)12 422 09
9Shim-Camshaft A/R (Only On: 72042, 72063, 72062, 72043)12 422 10
9Shim-Camshaft A/R (Only On: 72042, 72063, 72062, 72043)12 422 11
9Shim-Camshaft A/R (Only On: 72042, 72063, 72062 72043)12 422 12
9Shim-Camshaft A/R (Only On: 72042, 72063, 72062, 72043)12 422 13
10Camshaft (Only On: 72103, 72083)24 012 05
11Reglerwelle24 144 01
12ScheibeX-25-63
13Simmerring12 032 01
14ScheibeX-25-102
15Sicherung12 380 04
16SchraubeM-0545010
17Sicherungsblech24 018 04
18Beed-Breather (Only On: 72103, 72083)24 402 01
19Simmerring24 032 01
20O-Ring12 153 01
21Rohr F. Oelmess-Stab12 123 04
22Halter24 126 19
23Screw M5x0.8x16 (Only On: 72103, 72083)M-0549016
24O-Ring12 153 02
25Oelmesstab24 038 04
26Deckel25 755 13
27O-Ring12 153 03
Dichtungssatz24 755 03
Gebrauchsanweisungen
Toro
Impressum
(C) by motoruf