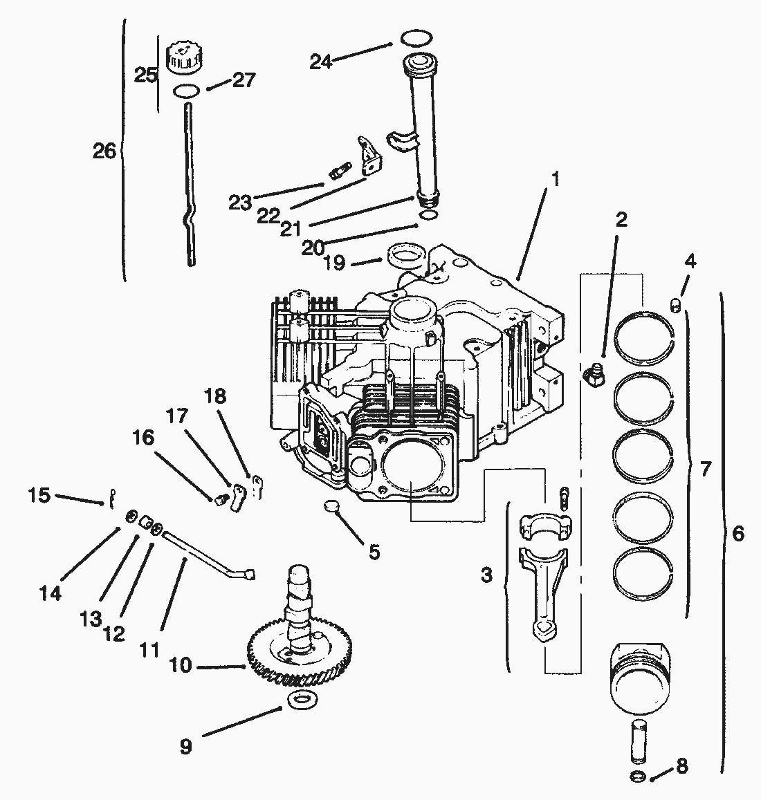
| Pos. | Bezeichnung | Ersatzteilnummer | |
| 1 | Short Block (Only On: 72103, 72083) | 24 522 09 |
| 2 | Verbindungsstueck | 25 155 02 |
| 3 | Connecting Rod STD | 24 067 05 |
| 3 | Connecting Rod .25 | 24 067 06 |
| 4 | Dowel-Locating (Only On: 72042, 72063, 72062, 72043) | 12 380 03 |
| 5 | Stopfen | 52 139 09 |
| 6 | Piston ASM STD INC 4/7/8 (Only On: 72103, 72083) | 24 874 01 |
| 6 | Kolben M. Ringe 0,20 | 24 874 02 |
| 6 | Kolben M. Ringe 0.50 | 24 874 03 |
| 7 | Ring Set STD INC 4/8 (Only On:72103, 72083) | 24 108 01 |
| 7 | Ring Set .25 INC 4/8 (Only On: 72103, 72083) | 24 108 02 |
| 7 | Ring Set .50 INC 4/8 (Only On: 72103, 72083) | 24 108 03 |
| 8 | Sicherung | 24 018 01 |
| 9 | Shim-Camshaft A/R (Only On: 72042, 72063, 72062, 72043) | 12 422 07 |
| 9 | Shim-Camshaft A/R (Only On: 72042, 72063, 72062, 72043) | 12 422 08 |
| 9 | Shim-Camshaft A/R (Only On: 72042, 72063, 72062, 72043) | 12 422 09 |
| 9 | Shim-Camshaft A/R (Only On: 72042, 72063, 72062, 72043) | 12 422 10 |
| 9 | Shim-Camshaft A/R (Only On: 72042, 72063, 72062, 72043) | 12 422 11 |
| 9 | Shim-Camshaft A/R (Only On: 72042, 72063, 72062 72043) | 12 422 12 |
| 9 | Shim-Camshaft A/R (Only On: 72042, 72063, 72062, 72043) | 12 422 13 |
| 10 | Camshaft (Only On: 72103, 72083) | 24 012 05 |
| 11 | Reglerwelle | 24 144 01 |
| 12 | Washer-Flat | X-25-43 |
| 13 | Simmerring | 12 032 01 |
| 14 | Scheibe | X-25-102 |
| 15 | Sicherung | 12 380 04 |
| 16 | Schraube | M-0545010 |
| 17 | Sicherungsblech | 24 018 04 |
| 18 | Beed-Breather | 24 402 05 |
| 19 | Simmerring | 24 032 01 |
| 20 | O-Ring | 12 153 01 |
| 21 | Rohr F. Oelmess-Stab | 12 123 04 |
| 22 | Halter | 24 126 19 |
| 23 | Screw M5x0.8x16 (Only On: 72042, 72063, 72062, 72043) | M-0545016 |
| 24 | O-Ring | 12 153 02 |
| 25 | Oelmesstab | 24 038 04 |
| 26 | Deckel | 25 755 13 |
| 27 | O-Ring | 12 153 03 |
| Dichtungssatz | 24 755 03 |