Zurück zu
>
Roth / TORO
>
Aufsitzmäher
>
Traktor
>
14-38 HXL
>
392/71217
>
6900001
>
Hydraulik-Getriebeachse
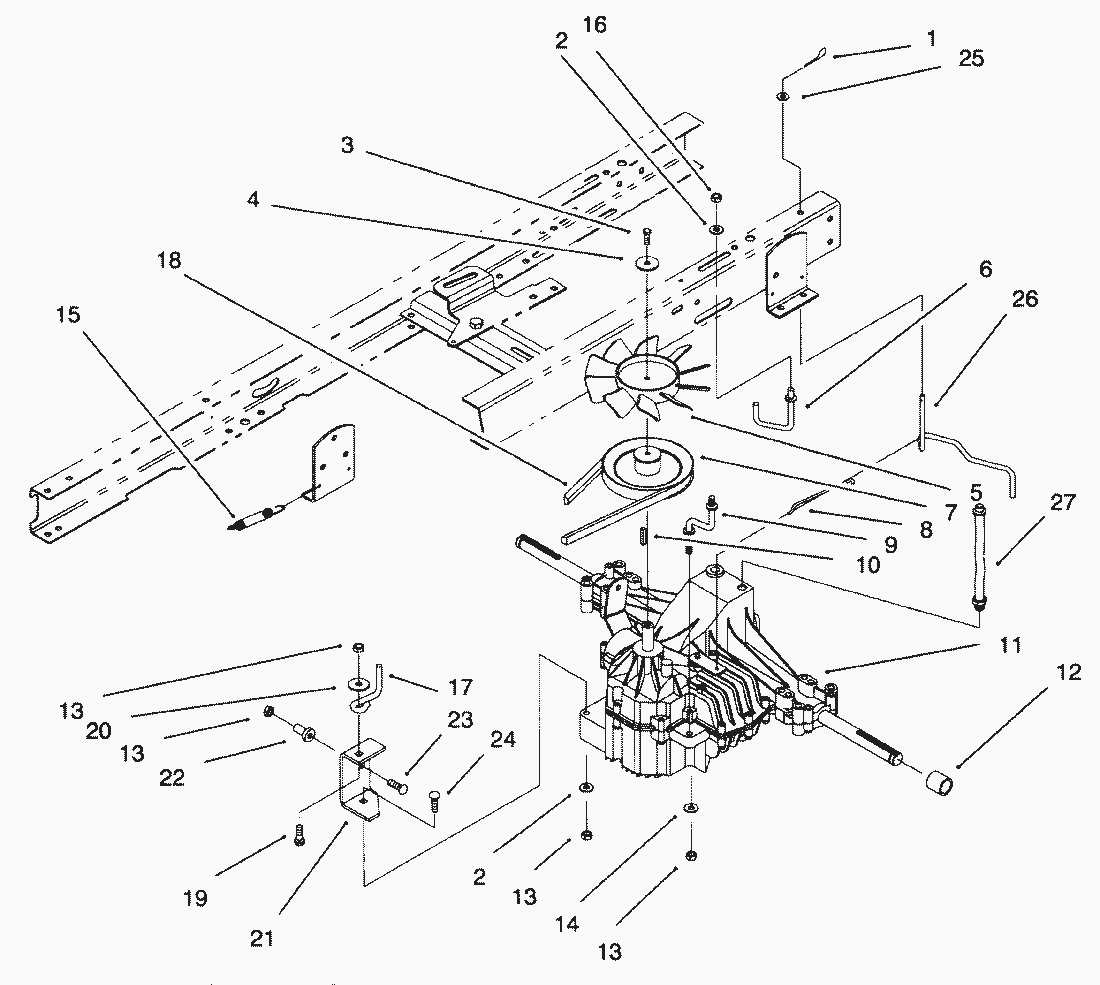
Ersatzteillisten für Toro Roth / TORO Hydraulik-Getriebeachse
Pos.
Bezeichnung
Ersatzteilnummer
1
Stift
3290-307
2
Scheibe
3256-23
3
Screw-Hex Hd. Cap
48-7620
4
Washer-Fender
3256-58
5
Luefterrad
115271
6
Riemenfuehrung
88-5960
7
Riemenscheibe
88-6180
8
Gestaenge
92-8856
9
Gestaenge
88-5620
10
Keil
80-6090
11
Hydro-Getriebe
94-6775
12
Radbuechse
88-5360
13
MUTTER
3296-29
14
Scheibe
3256-23
15
Spring-Brake Return
26-6701
16
Mutter
32149-1
17
Riemenfuehrung
88-5460
18
Riemen
88-6280
19
Schraube
3230-2
20
Scheibe
5-4460
21
Bracket-Speed Control
92-601303
22
Flanschbuechse
65-5080
23
Schraube
3230-5
24
Schraube
3230-7
25
scheibe
3256-22
26
Gesteange
92-8857
27
Entlueftungsschlauch
94-1945
Gebrauchsanweisungen
Toro
Roth / TORO
Aufsitzmäher
Traktor
264-6
246 HE
244-5
212-H
212-5
17-44 HXLE
16-44 HXL
16-38 HXL
16-38 XLE
15-44 HXL
15-38 HXL
14-38 HXL
392/71219
392/71217
7900001
6900001
Hydraulik-Getriebeachse (Fortsetzung)
Motor (B&S Modell 28N777-0174-01)
Motor (B&S Modell 28N707-0131-01)
Elektrik
Schnitthöhe
38 Mähwerk-Schaltkomponenten 38 Deck EnGagement Components
38 Gehäuse; Messer, Antrieb & Bremse 38 Deck Blade Drive & Brake Assy.
38 Mähwerksteile (Fortsetzung) 38 Deck Components (Cont.)
38 Mähwerksteile 38 Deck Components
Hydraulik-Getriebeachse Betätigungen
Hinterrad
Hydraulik-Getriebeachse
Antriebskupplung
Motor
Lenkung
Lenkung
Heckteil & Sitz
Haube & Säule
Rahmen & Rahmen
14-38 XL
13-38 HXL
13-38 XL
13-32 XLE
12-38 HXL
12-38 XL
12-32 XL
264 H
265 H
267 H
268 H
270 H
520 xi
520 Lxi
523 Dxi
Rider
Mähwerke
Zubehör
Handgeräte
Robin
Impressum
(C) by motoruf