Zurück zu
>
Roth / TORO
>
Handgeräte
>
Schneefräsen
>
zweistufig
>
824
>
612/38080
>
7000001
>
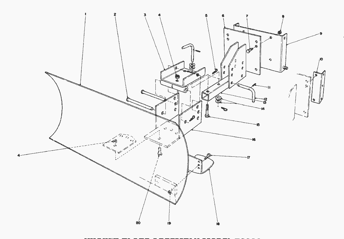
Graderschild Modell 59099
Ersatzteillisten für Toro Roth / TORO Graderschild Modell 59099
Pos.
Bezeichnung
Ersatzteilnummer
Pivot Pin (Incl. Ref.
20-5210
Pos.
Bezeichnung
Ersatzteilnummer
1
Blade
7-4374
2
Splintbolzen
283-38
3
Swivel Bracket
20-5090
4
Mutter
32152-3
5
Haarnadelsicherung
3290-322
6
Mounting Plate
20-5170
7
Schraube
323-6
8
Locknut
32152-2
9
Mounting Plate Bracket (used with 826 and 1032 only)
22-4920
10
Mounting Rail (Used with 421 Units only)
39-7850
11
Stift
32121-45
13
Blade Tongue
20-5140
14
Scheibe
3256-5
15
Schraube
325-11
16
Blade Adjustment Plate
20-5130
17
Schraube
322-6
18
Skid
7-1023
19
Mutter
32152-1
20
Schraube
325-5
Schraube
650152
Decal
31752
Body
31692
Element
30727
Schraube
28820
Anschlusstueck
31691
Gasket
27277
Gebrauchsanweisungen
Toro
Roth / TORO
Aufsitzmäher
Handgeräte
Kehrmaschinen
Schneefräsen
Zubehör
zweistufig
1332 PowerShift
1232 PowerShift
1132 PowerShift
1132
1028 PowerShift
924 PowerShift
828 PowerShift
824 PowerShift
824 XL
824
612/38080
8000001
7000001
Rücklaufstarter Nr. 590630
Motor Tecumseh (Modell-Nr. HM80-155291L) (Fortsetzung)
Motor Tecumseh (Modell-Nr. HM80-155291L)
Vergaser Nr. 632334
Elektrostarter Nr. 33329C
Beleuchtungssatz Nr. 549821 (wahlw.)
Graderschild Modell 59099
Holm (Fortsetzung)
Wetterschutz Modell 42-3380
Holm
Motor
Traktor (Fortsetzung)
Trommel (Fortsetzung)
Antrieb
Trommel
6000001
5000001
4000001
3900001
2000001
724
624 PowerShift
622
521
3521
einstufig
Sauger/Bläser
Rasenmäher
Robin
Impressum
(C) by motoruf