Zurück zu
>
Roth / TORO
>
Aufsitzmäher
>
Traktor
>
267 H
>
505/72104
>
6900001
>
Getriebewelle
Ersatzteillisten für Toro Roth / TORO Getriebewelle
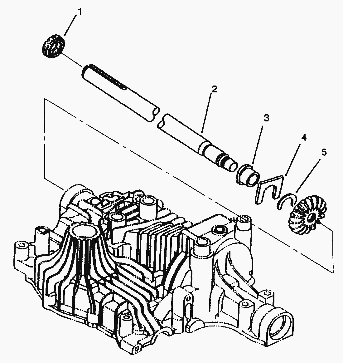
Pos.
Bezeichnung
Ersatzteilnummer
1
Simmerring
93-0451
2
Shaft-Axle Right (Only On: 72083, 72043, 72103, 72063)
93-0452
3
Buechse
93-0454
4
Lagerscheibe
93-0455
5
Seegerring
93-0456
Shaft-Axle Left (Only On: 72083, 72043, 72103, 72063)
93-0453
Gebrauchsanweisungen
Toro
Roth / TORO
Aufsitzmäher
Traktor
264-6
246 HE
244-5
212-H
212-5
17-44 HXLE
16-44 HXL
16-38 HXL
16-38 XLE
15-44 HXL
15-38 HXL
14-38 HXL
14-38 XL
13-38 HXL
13-38 XL
13-32 XLE
12-38 HXL
12-38 XL
12-32 XL
264 H
265 H
267 H
505/72104
6900001
Haube mit Grill
Armaturenbrett
Lenkrad mit Verstellung
untere Lenkung
Vorderachse
Sitz
Kotflügel & Fußauflage
Zweizylinder Motor, Auspuff, und Zapfwelle
Kupplung 92-6885
Batterie
Haubenhalter & Hitzeschutz
Kraftstofftank & Hydrauliktank
Aushubhebel & Schnitthöhe
Rahmen
Hydraulik Antrieb
Hydraulikbremse
Hydraulikbetätigung
Hydraulik-Getriebeachse
Tempomat Betätigung
Hinterrad
Kurbelwelle
Kurbelgehäuse
Ölwanne, Schmierung
Kopf, Ventil, Entlüftung
Zündung, Elektrik
Gebläsegehäuse & Leitbleche
Starteinrichtung
Kraftstoffsystem
Motor Betätigungen
Lufteinlaß/Filter
Auspuff
Getriebeachs-Gehäuse
Mittleres Gehäuse
Pumpenwelle
Motorwelle
Wählhebel
Bypass
Dämpfer
Neutralzentrierung
Bremssicherung
Differentialgetriebe
Ritzel
Getriebewelle
Bremse
7900001
8900001
8900600
268 H
270 H
520 xi
520 Lxi
523 Dxi
Rider
Mähwerke
Zubehör
Handgeräte
Robin
Impressum
(C) by motoruf