Zurück zu
>
Roth / TORO
>
Aufsitzmäher
>
Traktor
>
246 HE
>
309/72101
>
3900001
>
Getriebe (Eaton Modell 751-045)
Ersatzteillisten für Toro Roth / TORO Getriebe (Eaton Modell 751-045)
Ersatzteilliste 1
Ersatzteilliste 2
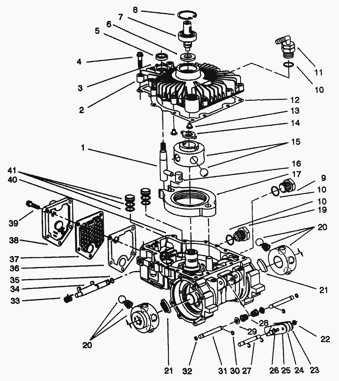
Pos.
Bezeichnung
Ersatzteilnummer
Plug Assembly (Incl. Ref.
88-2250
Housing Assembly-Axle (Incl. Ref.
88-2630
Shim (.030) 24 5960A028 A/R 72101 Shim (.030)
88-3140
Shim (.020) 24 23 5960A028 A/R 72101 Shim (.020)
88-2380
Cover Assembly (Incl. Ref.
88-2210
Pos.
Bezeichnung
Ersatzteilnummer
1
Shaft-Control
88-2200
3
Cover
88-2220
4
Screw
88-2230
5
Seal-Control Shaft
112605
6
Seal-Input Shaft
112604
7
Welle
88-2240
8
Ring-Retaining
112600
10
Seal-ORing
88-2260
11
Fitting 90ø
88-2270
12
Gasket-Cover
88-2280
13
Button
112595
14
Drive
88-2290
15
Pump Assembly, Rotor Ball
88-2300
16
Insert
88-2310
17
Ring Assembly-Cam
88-2320
19
Nut-Assembly
88-2340
20
Nut-Assembly
88-2340
21
Pad-Friction
88-2350
22
Nut-Lock
88-2360
23
Lever-Brake, R.H.
88-2370
25
Lever-Brake, L.H.
88-2390
26
Screw-Hex. Hd.
88-2400
27
Shaft-Brake
88-2410
28
Spring-Conical,
88-2420
29
Base-Spring
88-2430
30
Ring-Retaining
88-2440
31
Rod-Push
88-2450
32
Seal-Quad
88-2460
33
Spring-Dump Valve
88-2470
34
Bracket-Dump Valve
88-2480
35
ORing-Seal
88-2490
36
Gasket-filter
88-2500
37
Filter
88-2510
38
Cover-Valve
88-2520
39
Screw-Hex. Hd.
88-2530
40
Housing
88-2540
41
Housing
88-2540
Pos.
Bezeichnung
Ersatzteilnummer
1
Ring-Retaining
88-2560
2
Bearing-Ball
88-2570
3
Seal-Radial Lip
88-2580
4
Shaft-Axle
88-2590
5
Ring-Retaining
88-2600
6
Washer-Thrust
88-2610
7
Housing-Axle
88-2620
8
Gasket-Axle Housing
88-2640
9
Plate-Reaction
88-2650
10
Plate-Backup
88-2660
11
Gear-Ring, 57 Tooth
88-2670
12
Gear-First, 15 Tooth
88-2680
13
Gear-Planet, First
88-2690
14
Carrier Primary
88-2800
15
Gear-Second, 15 Tooth
88-2810
16
Gear-Second, 21 Tooth
88-2820
17
Carrier-Secondary
88-2830
18
Screw
88-2840
Gebrauchsanweisungen
Toro
Roth / TORO
Aufsitzmäher
Traktor
264-6
246 HE
309/72101
3900001
Elektro-Schaltplan
Getriebe (Eaton Modell 751-045)
Motor (TORO Power Plus)
Kotflügel & Sitz
Hydrauliktank
Hinterrad & Getriebe
Bremse & Hydraulik-Gestänge
Bremspedal
Spannrolle & Pedalwelle
Aushubgestänge
Armaturenbrett
Lenkwelle & Anzeigen
Lenkrad & Konsole
Kraftstofftank & Lenkung Halter
Kupplung 92-1686
Batteriebefestigung
Motor & Kupplung
Vorderachse
Hauptrahmen
Haube
244-5
212-H
212-5
17-44 HXLE
16-44 HXL
16-38 HXL
16-38 XLE
15-44 HXL
15-38 HXL
14-38 HXL
14-38 XL
13-38 HXL
13-38 XL
13-32 XLE
12-38 HXL
12-38 XL
12-32 XL
264 H
265 H
267 H
268 H
270 H
520 xi
520 Lxi
523 Dxi
Rider
Mähwerke
Zubehör
Handgeräte
Robin
Impressum
(C) by motoruf